9.3.2 自然状态下的土体内水平向有效应力,可认为与静止土压力相等。土体侧向变形会改变其水平应力状态。最终的水平应力,随着变形的大小和方向可呈现出两种极限状态(主动极限平衡状态和被动极限平衡状态),支护结构处于主动极限平衡状态时,受主动土压力作用,是侧向土压力的最小值。
    按作用的标准组合计算土压力时,土的重度取平均值,土的强度指标取标准值。
    库仑土压理论和朗肯土压理论是工程中常用的两种经典土压理论,无论用库仑或朗肯理论计算土压力,由于其理论的假设与实际工作情况有一定的出入,只能看作是近似的方法,与实测数据有一定差异。一些试验结果证明,库仑土压力理论在计算主动土压力时,与实际较为接近。在计算被动土压力时,其计算结果与实际相比,往往偏大。
    静止土压力系数(k0)宜通过试验测定。当无试验条件时,对正常固结土也可按表24估算。

表24 静止土压力系数k0

土类坚硬土硬-可塑黏性土、粉质黏土、砂土可-软塑黏性土软塑黏性土流塑黏性土
k00.2~0.40.4~0.50.5~0.60.6~0.750.75~0.8

    对于位移要求严格的支护结构,在设计中宜按静止土压力作为侧向土压力。

9.3.3 高地下水位地区土压力计算时,常涉及水土分算与水土合算两种算法。水土分算采用浮重度计算土的竖向有效应力,如果采用有效应力强度理论,水土分算当然是合理的。但当支护结构内外土体中存在渗流现象和超静孔隙水压力时,特别是在黏性土层中,孔隙压力场的计算是比较复杂的。这时采用半经验的总应力强度理论可能更简便。本规范对饱和黏性土的土压力计算,推荐总应力强度理论水土合算法。
    在基坑工程场地范围内,当会出现存在多个含水土层及相对隔水层的情况,各含水层的水头也常存在差异,从区域水文地质条件分析,也存在层间越流补给的条件。计算作用在支护结构上的侧向水压力时,可将含水层的水头近似按潜水位水头进行计算。

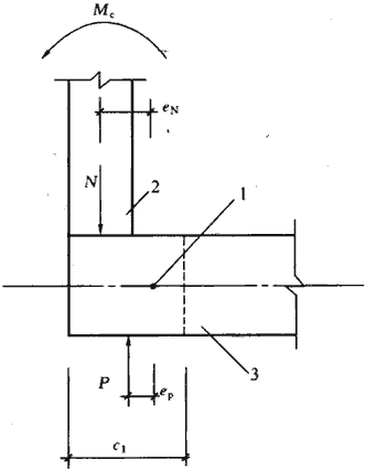
9.3.5 作用在支护结构上的土压力及其分布规律取决于支护体的刚度及侧向位移条件。
    刚性支护结构的土压力分布可由经典的库仑和朗肯土压力理论计算得到,实测结果表明,只要支护结构的顶部的位移不小于其底部的位移,土压力沿垂直方向分布可按三角形计算。但是,如果支护结构底部位移大于顶部位移,土压力将沿高度呈曲线分布,此时,土压力的合力较上述典型条件要大10%~15%,在设计中应予注意。 
    相对柔性的支护结构的位移及土压力分布情况比较复杂,设计时应根据具体情况分析,选择适当的土压力值,有条件时土压力值应采用现场实测、反演分析等方法总结地区经验,使设计更加符合实际情况。

9.2.1 拟建建筑物的详细勘察,大多数是沿建筑物外轮廓布置勘探工作,往往使基坑工程的设计和施工依据的地质资料不足。本条要求勘察及勘探范围应超出建筑物轮廓线,一般取基坑周围相当基坑深度的2倍,当有特殊情况时,尚需扩大范围。勘探点的深度一般不应小于基坑深度的2倍。

9.2.2 基坑工程设计时,对土的强度指标有较高要求,在勘察手段上,要求钻探取样与原位测试并重,综合确定提供设计计算用的强度指标。

9.2.3 基坑工程的水文地质勘察,应查明场地地下水类型、潜水、承压水的埋置分布特点,明确含水层及相对隔水层的成因及动态变化特征。通过室内及现场水文地质实验,提供各土层的水平向与垂直向的渗透系数。对于需进行地下水控制专项设计的基坑工程,应对场地含水层及地下水分布情况进行现场抽水试验,计算含水层水文地质参数。
    抽水试验的目的:
    1 评价含水层的富水性,确定含水层组单井涌水量,了解含水层组水位状况,测定承压水头;
    2 获取含水层组的水文地质参数;
    3 确定抽水试验影响范围。
    抽水试验的成果资料应包括:在成井过程中,井管长度、成井井管、滤水管排列情况、洗井情况等的详细记录;绘制各抽水井及观测井的s-t曲线、s-lgt曲线,恢复水位s-lgt曲线以及各组抽水试验的Q-s关系曲线和q-s关系曲线。确定土层的渗透系数、影响半径、单位涌水量等参数。

9.2.4 越冬基坑受土的冻胀影响评价需要土的相关参数,特殊性土也需其相关设计参数。

9.2.6 国外关于基坑围护墙后地表的沉降形状(Peck,1969;Clough,1990;Hsieh和Ou,1998等)及上海地区的工程实测资料表明,墙后地表沉降的主要影响区域为2倍基坑开挖深度,而在2倍~4倍开挖深度范围内为次影响区域,即地表沉降由较小值衰减到可以忽略不计。因此本条规定,一般情况下环境调查的范围为2倍开挖深度。但当有重要的建(构)筑物如历代优秀建筑、有精密仪器与设备的厂房、其他采用天然地基或短桩基础的重要建筑物、轨道交通设施、隧道、防汛墙、共同沟、原水管、自来水总管、燃气总管等重要建(构)筑物或设施位于2倍~4倍开挖深度范围内时,为了能全面掌握基坑可能对周围环境产生的影响,也应对这些环境情况作调查。环境调查一般包括如下内容:
    1 对于建筑物应查明其用途、平面位置、层数、结构形式、材料强度、基础形式与埋深、历史沿革及现状、荷载、沉降、倾斜、裂缝情况、有关竣工资料(如平面图、立面图和剖面图等)及保护要求等;对历代优秀建筑,一般建造年代较远;保护要求较高,原设计图纸等资料也可能不齐全,有时需要通过专门的房屋结构质量检测与鉴定,对结构的安全性作出综合评价,以进一步确定其抵抗变形的能力。
    2 对于隧道、防汛墙、共同沟等构筑物应查明其平面位置、埋深、材料类型、断面尺寸、受力情况及保护要求等。
    3 对于管线应查明其平面位置、直径、材料类型、埋深、接头形式、压力、输送的物质(油、气、水等)、建造年代及保护要求等,当无相关资料时可进行必要的地下管线探测工作。
    4 环境调查的目的是明确环境的保护要求,从而得到其变形的控制标准,并为基坑工程的环境影响分析提供依据。

9.1.1 基坑支护结构是在建筑物地下工程建造时为确保土方开挖,控制周边环境影响在允许范围内的一种施工措施。设计中通常有两种情况,一种情况是在大多数基坑工程中,基坑支护结构是在地下工程施工过程中作为一种临时性结构设置的,地下工程施工完成后,即失去作用,其工程有效使用期一般不超过2年;另一种情况是基坑支护结构在地下工程施工期间起支护作用,在建筑物建成后的正常使用期间,作为建筑物的永久性构件继续使用,此类支护结构的设计计算,还应满足永久结构的设计使用要求。
    基坑支护结构的类型很多,本章所介绍的桩、墙式支护结构的设计计算较为成熟,施工经验丰富,适应性强,是较为安全可靠的支护形式。其他支护形式例如水泥土墙,土钉墙等以及其他复合使用的支护结构,在工程实践中应用,应根据地区经验设计施工。

9.1.2 基坑支护结构的功能是为地下结构的施工创造条件、保证施工安全,并保证基坑周围环境得到应有的保护。图53列出了几种基坑周边典型的环境条件。基坑工程设计与施工时,应根据场地的地质条件及具体的环境条件,通过有效的工程措施,满足对周边环境的保护要求。

9.1.3 本条为强制性条文。本条规定了基坑支护结构设计的基本原则,为确保基坑支护结构设计的安全,在进行基坑支护结构设计时必须严格执行。
    基坑支护结构设计应从稳定、强度和变形三个方面满足设计要求:



图53 基坑周边典型的环境条件
1—建筑物;2—基坑;3—桩基;4—围护墙;5—浅基础建筑物;6—隧道;7—地铁车站;8—地下管线

    1 稳定:指基坑周围土体的稳定性,即不发生土体的滑动破坏,因渗流造成流砂、流土、管涌以及支护结构、支撑体系的失稳。
    2 强度:支护结构,包括支撑体系或锚杆结构的强度应满足构件强度和稳定设计的要求。
    3 变形:因基坑开挖造成的地层移动及地下水位变化引起的地面变形,不得超过基坑周围建筑物、地下设施的变形允许值,不得影响基坑工程基桩的安全或地下结构的施工。
    基坑工程施工过程中的监测应包括对支护结构和对周边环境的监测,并提出各项监测要求的报警值。随基坑开挖,通过对支护结构桩、墙及其支撑系统的内力、变形的测试,掌握其工作性能和状态。通过对影响区域内的建筑物、地下管线的变形监测,了解基坑降水和开挖过程中对其影响的程度,作出在施工过程中基坑安全性的评价。

9.1.4 基坑支护结构设计时,应规定支护结构的设计使用年限。基坑工程的施工条件一般均比较复杂,且易受环境及气象因素影响,施工周期宜短不宜长。支护结构设计的有效期一般不宜超过2年。
    基坑工程设计时,应根据支护结构破坏可能产生后果的严重性,确定支护结构的安全等级。基坑工程的事故和破坏,通常受设计、施工、现场管理及地下水控制条件等多种因素影响。其中对于不按设计要求施工及管理水平不高等因素,应有相应的有效措施加以控制,对支护结构设计的安全等级,可按表23的规定确定。

表23 基坑支护结构的安全等级

安全等级破坏后果适用范围
一级
二级
三级
很严重
严重
不严重
有特殊安全要求的支护结构
重要的支护结构
一般的支护结构

    基坑支护结构施工或使用期间可能遇到设计时无法预测的不利荷载条件,所以基坑支护结构设计采用的结构重要性系数的取值不宜小于1.0。

9.1.5 不同设计等级基坑工程设计原则的区别主要体现在变形控制及地下水控制设计要求。对设计等级为甲级的基坑变形计算除基坑支护结构的变形外,尚应进行基坑周边地面沉降以及周边被保护对象的变形计算。对场地水文地质条件复杂、设计等级为甲级的基坑应作地下水控制的专项设计,主要目的是要在充分掌握场地地下水规律的基础上,减少因地下水处理不当对周边建(构)筑物以及地下管线的损坏。

9.1.6 基坑工程设计时,对土的强度指标的选用,主要应根据现场土体的排水条件及固结条件确定。
    三轴试验受力明确,又可控制排水条件,因此,在基坑工程中确定土的强度指标时规定应采用三轴剪切试验方法。
    软黏土灵敏度高,受扰动后强度下降明显。这种黏土矿物颗粒在一定条件下从凝聚状态迅速过渡到胶溶状态的现象,称为“触变现象”。深厚软黏土中的基坑,在扰动源作用下,随着基坑变形的发展,灵敏黏土强度降低的现象是不可忽视的。

9.1.7 基坑设计时对变形的控制主要考虑因土方开挖和降水引起的对基坑周边环境的影响。基坑施工不可避免地会对周边建(构)筑物等产生附加沉降和水平位移,设计时应控制建(构)筑物等地基的总变形值(原有变形加附加变形)不得超过地基的允许变形值。
    土方开挖使坑内土体产生隆起变形和侧移,严重时将使坑内工程桩偏位、开裂甚至断裂。设计时应明确对土方开挖过程的要求,保证对工程桩的正常使用。

9.1.9 本条为强制性条文。基坑开挖是大面积的卸载过程,将引起基坑周边土体应力场变化及地面沉降。降雨或施工用水渗入土体会降低土体的强度和增加侧压力,饱和黏性土随着基坑暴露时间延长和经扰动,坑底土强度逐渐降低,从而降低支护体系的安全度。基底暴露后应及时铺筑混凝土垫层,这对保护坑底土不受施工扰动、延缓应力松弛具有重要的作用,特别是雨期施工中作用更为明显。
    基坑周边荷载,会增加墙后土体的侧向压力,增大滑动力矩,降低支护体系的安全度。施工过程中,不得随意在基坑周围堆土,形成超过设计要求的地面超载。

8.5.1 摩擦型桩分为端承摩擦桩和摩擦桩,端承摩擦桩的桩顶竖向荷载主要由桩侧阻力承受;摩擦桩的桩端阻力可忽略不计,桩顶竖向荷载全部由桩侧阻力承受。端承型桩分为摩擦端承桩和端承桩,摩擦端承桩的桩顶竖向荷载主要由桩端阻力承受;端承桩的桩侧阻力可忽略不计,桩顶竖向荷载全部由桩端阻力承受。

8.5.2 同一结构单元的桩基,由于采用压缩性差异较大的持力层或部分采用摩擦桩,部分采用端承桩,常引起较大不均匀沉降,导致建筑物构件开裂或建筑物倾斜;在地震荷载作用下,摩擦桩和端承桩的沉降不同,如果同一结构单元的桩基同时采用部分摩擦桩和部分端承桩,将导致结构产生较大的不均匀沉降。
    岩溶地区的嵌岩桩在成孔中常发生漏浆、塌孔和埋钻现象,给施工造成困难,因此应首先考虑利用上覆土层作为桩端持力层的可行性。利用上覆土层作为桩端持力层的条件是上覆土层必须是稳定的土层,其承载力及厚度应满足要求。上覆土层的稳定性的判定至关重要,在岩溶发育区,当基岩上覆土层为饱和砂类土时,应视为地面易塌陷区,不得作为建筑场地。必须用作建筑场地时,可采用嵌岩端承桩基础,同时采取勘探孔注浆等辅助措施。基岩面以上为黏性土层,黏性土有一定厚度且无土洞存在或可溶性岩面上有砂岩、泥岩等非可溶岩层时,上覆土层可视为稳定土层。当上覆黏性土在岩溶水上下交替变化作用下可能形成土洞时,上覆土层也应视为不稳定土层。
    在深厚软土中,当基坑开挖较深时,基底土的回弹可引起桩身上浮、桩身开裂,影响单桩承载力和桩身耐久性,应引起高度重视。设计时应考虑加强桩身配筋、支护结构设计时应采取防止基底隆起的措施,同时应加强坑底隆起的监测。
    承台及地下室周围的回填土质量对高层建筑抗震性能的影响较大,规范均规定了填土压实系数不小于0.94。除要求施工中采取措施尽量保证填土质量外,可考虑改用灰土回填或增加一至两层混凝土水平加强条带,条带厚度不应小于0.5m。
    关于桩、土、承台共同工作问题,各地区根据工程经验有不同的处理方法,如混凝土桩复合地基、复合桩基、减少沉降的桩基、桩基的变刚度调平设计等。实际操作中应根据建筑物的要求和岩土工程条件以及工程经验确定设计参数。无论采用哪种模式,承台下土层均应当是稳定土层。液化土、欠固结土、高灵敏度软土、新填土等皆属于不稳定土层,当沉桩引起承台土体明显隆起时也不宜考虑承台底土层的抗力作用。

8.5.3 本条规定了摩擦型桩的桩中心距限制条件,主要为了减少摩擦型桩侧阻叠加效应及沉桩中对邻桩的影响,对于密集群桩以及挤土型桩,应加大桩距。非挤土桩当承台下桩数少于9根,且少于3排时,桩距可不小于2.5d。对于端承型桩,特别是非挤土端承桩和嵌岩桩桩距的限制可以放宽。
    扩底灌注桩的扩底直径,不应大于桩身直径的3倍,是考虑到扩底施工的难易和安全,同时需要保持桩间土的稳定。
    桩端进入持力层的最小深度,主要是考虑了在各类持力层中成桩的可能性和难易程度,并保证桩端阻力的发挥。
    桩端进入破碎岩石或软质岩的桩,按一般桩来计算桩端进入持力层的深度。桩端进入完整和较完整的未风化、微风化、中等风化硬质岩石时,入岩施工困难,同时硬质岩已提供足够的端阻力。规范条文提出桩周边嵌岩最小深度为0.5m。
    桩身混凝土最低强度等级与桩身所处环境条件有关。有关岩土及地下水的腐蚀性问题,牵涉腐蚀源、腐蚀类别、性质、程度、地下水位变化、桩身材料等诸多因素。现行国家标准《岩土工程勘察规范》GB 50021、《混凝土结构设计规范》GB 50010、《工业建筑防腐蚀设计规范》GB 50046、《混凝土结构耐久性设计规范》GB/T 50476等不同角度作了相应的表述和规定。
    为了便于操作,本条将桩身环境划分为非腐蚀环境(包括微腐蚀环境)和腐蚀环境两大类,对非腐蚀环境中桩身混凝土强度作了明确规定,腐蚀环境中的桩身混凝土强度、材料、最小水泥用量、水灰比、抗渗等级等还应符合相关规范的规定。
    桩身埋于地下,不能进行正常维护和维修,必须采取措施保证其使用寿命,特别是许多情况下桩顶附近位于地下水位频繁变化区,对桩身混凝土及钢筋的耐久性应引起重视。
    灌注桩水下浇筑混凝土目前大多采用商品混凝土,混凝土各项性能有保障的条件下,可将水下浇筑混凝土强度等级达到C45。
    当场地位于坡地且桩端持力层和地面坡度超过10%时,除应进行场地稳定验算并考虑挤土桩对边坡稳定的不利影响外,桩身尚应通长配筋,用来增加桩身水平抗力。关于通长配筋的理解应该是钢筋长度达到设计要求的持力层需要的长度。
    采用大直径长灌注桩时,宜将部分构造钢筋通长设置,用以验证孔径及孔深。

8.5.6 为保证桩基设计的可靠性,规定除设计等级为丙级的建筑物外,单桩竖向承载力特征值应采用竖向静载荷试验确定。
    设计等级为丙级的建筑物可根据静力触探或标准贯入试验方法确定单桩竖向承载力特征值。用静力触探或标准贯入方法确定单桩承载力已有不少地区和单位进行过研究和总结,取得了许多宝贵经验。其他原位测试方法确定单桩竖向承载力的经验不足,规范未推荐。确定单桩竖向承载力时,应重视类似工程、邻近工程的经验。
    试桩前的初步设计,规范推荐了通用的估算公式(8.5.6-1),式中侧阻、端阻采用特征值,规范特别注明侧阻、端阻特征值应由当地载荷试验结果统计分析求得,减少全国采用同一表格所带来的误差。
    嵌入完整和较完整的未风化、微风化、中等风化硬质岩石的嵌岩桩,规范给出了单桩竖向承载力特征值的估算式(8.5.6-2),只计端阻。简化计算的意义在于硬质岩强度超过桩身混凝土强度,设计以桩身强度控制,桩长较小时再计入侧阻、嵌岩阻力等已无工程意义。当然,嵌岩桩并不是不存在侧阻力,有时侧阻和嵌岩阻力占有很大的比例。对于嵌入破碎岩和软质岩石中的桩,单桩承载力特征值则按公式(8.5.6-1)进行估算。
    为确保大直径嵌岩桩的设计可靠性,必须确定桩底一定深度内岩体性状。此外,在桩底应力扩散范围内可能埋藏有相对软弱的夹层,甚至存在洞隙,应引起足够注意。岩层表面往往起伏不平,有隐伏沟槽存在,特别在碳酸盐类岩石地区,岩面石芽、溶槽密布,此时桩端可能落于岩面隆起或斜面处,有导致滑移的可能,因此,规范规定在桩底端应力扩散范围内应无岩体临空面存在,并确保基底岩体的稳定性。实践证明,作为基础施工图设计依据的详细勘察阶段的工作精度,满足不了这类桩设计施工的要求,因此,当基础方案选定之后,还应根据桩位及要求进行专门性的桩基勘察,以便针对各个桩的持力层选择入岩深度、确定承载力,并为施工处理等提供可靠依据。

8.5.7、8.5.8 单桩水平承载力与诸多因素相关,单桩水平承载力特征值应由单桩水平载荷试验确定。
    规范特别写入了带承台桩的水平载荷试验。桩基抵抗水平力很大程度上依赖于承台侧面抗力,带承台桩基的水平载荷试验能反映桩基在水平力作用下的实际工作状况。
    带承台桩基水平载荷试验采用慢速维持荷载法,用以确定长期荷载下的桩基水平承载力和地基土水平反力系数。加载分级及每级荷载稳定标准可按单桩竖向静载荷试验的办法。当加载至桩身破坏或位移超过30mm~40mm(软土取大值)时停止加载。卸载按2倍加载等级逐级卸载,每30min卸一级载,并于每次卸载前测读位移。
    根据试验数据绘制荷载位移H0-X0曲线及荷载位移梯度H0-(△X0/△H0)曲线,取H0-(△X0/△H0)曲线的第一拐点为临界荷载,取第二拐点或H0-X0曲线的陡降起点为极限荷载。若桩身设有应力测读装置,还可根据最大弯矩点变化特征综合判定临界荷载和极限荷载。
    对于重要工程,可模拟承台顶竖向荷载的实际状况进行试验。
    水平荷载作用下桩基内各单桩的抗力分配与桩数、桩距、桩身刚度、土质性状、承台形式等诸多因素有关。
    水平力作用下的群桩效应的研究工作不深入,条文规定了水平力作用面的桩距较大时,桩基的水平承载力可视为各单桩水平承载力的总和,实际上在低桩承台的前提下应注重采取措施充分发挥承台底面及侧面土的抗力作用,加强承台间的连系等。当承台周围填土质量有保证时,应考虑土的抗力作用按弹性抗力法进行计算。
    用斜桩来抵抗水平力是一项有效的措施,在桥梁桩基中采用较多。但在一般工业与用民建筑中则很少采用,究其原因是依靠承台埋深大多可以解决水平力的问题。

8.5.9 单桩抗拔承载力特征值应通过单桩竖向抗拔载荷试验确定,并应加载至破坏,试验数量,同条件下的桩不应少于3根且不应少于总抗拔桩数的1%。

8.5.10 本条为强制性条文。为避免基桩在受力过程中发生桩身强度破坏,桩基设计时应进行基桩的桩身强度验算,确保桩身混凝土强度满足桩的承载力要求。

8.5.11 鉴于桩身强度计算中并未考虑荷载偏心、弯矩作用、瞬时荷载的影响等因素,因此,桩身强度设计必须留有一定富裕。在确定工作条件系数时考虑了承台下的土质情况,抗震设防等级、桩长、混凝土浇筑方法、混凝土强度等级以及桩型等因素。本次修订中适当提高了灌注桩的工作条件系数,补充了预应力混凝土管桩工作条件系数。考虑到高强度离心混凝土的延性差、加之沉桩中对桩身混凝土的损坏、加工过程中已对桩身施加轴向预应力等因素,结合日本、广东省的经验,将工作条件系数规定为0.55~0.65。
    日本、美国及广东省等规定管桩允许承载力(相当于承载力特征值)应满足下式要求:

Ra≤0.25(ƒcu,k-σpc)AG

式中:ƒcu,k——桩身混凝土立方体抗压强度;
      σpc——桩身混凝土有效预应力值(约为4MPa~10MPa);
      AG——桩身混凝土横截面积。

Q≤0.33(ƒcu,k-σpc)AG
ƒcu,k=[2.18(C60)~2.23(C80)]ƒc

    PHC桩:

Q≤0.33(2.23ƒc-σpc)AG

    当σpc=4MPa时

Q≤0.33(2.23ƒc-0.11ƒc)AG 
Q≤0.699ƒcAG

    当σpc=10MPa时

Q≤0.33(2.23ƒc-0.28ƒc)AG
Q≤0.644ƒcAG

    PC桩:

Q≤0.33(2.18ƒc-σpc)AG

    当σpc=4MPa时

Q≤0.33(2.18ƒc-0.145ƒc)AG
Q≤0.67ƒcAG

    当σpc=10MPa时

Q≤0.33(2.18ƒc-0.36ƒc)AG
Q≤0.6ƒcAG

    考虑到当前管桩生产质量、软土中的抗震要求、沉桩中桩身混凝土受损以及接头焊接时高温对桩身混凝土的损伤等因素,将工作条件系数定为0.55~0.65是合理的。

8.5.12 非腐蚀性环境中的抗拔桩,桩身裂缝宽度应满足设计要求。预应力混凝土管桩因增加钢筋直径有困难,考虑其钢筋直径较小,耐久性差,所以裂缝控制等级应为二级,即混凝土拉应力不应超过混凝土抗拉强度设计值。
    腐蚀性环境中,考虑桩身钢筋耐久性,抗拔桩和受水平力或弯矩较大的桩不允许桩身混凝土出现裂缝。预应力混凝土管桩裂缝等级应为一级(即桩身混凝土不出现拉应力)。
    预应力管桩作为抗拔桩使用时,近期出现了数起桩身抗拔破坏的事故,主要表现在主筋墩头与端板连接处拉脱,同时管桩的接头焊缝耐久性也有问题,因此,在抗拔构件中应慎用预应力混凝土管桩。必须使用时应考虑以下几点:
    1 预应力筋必须锚入承台;
    2 截桩后应考虑预应力损失,在预应力损失段的桩外围应包裹钢筋混凝土;
    3 宜采用单节管桩;
    4 多节管桩可考虑通长灌芯,另行设置通长的抗拔钢筋,或将抗拔承载力留有余地,防止墩头拔出。
    5 端板与钢筋的连接强度应满足抗拔力要求。

8.5.13 本条为强制性条文。地基基础设计强调变形控制原则,桩基础也应按变形控制原则进行设计。本条规定了桩基沉降计算的适用范围以及控制原则。

8.5.15 软土中摩擦桩的桩基础沉降计算是一个非常复杂的问题。纵观许多描述桩基实际沉降和沉降发展过程的文献可知,土体中桩基沉降实质是由桩身压缩、桩端刺入变形和桩端平面以下土层受群桩荷载共同作用产生的整体压缩变形等多个主要分量组成。摩擦桩基础的沉降是历时数年、甚至更长时间才能完成的过程,加荷瞬间完成的沉降只占总沉降中的小部分。大部分沉降都是与时间发展有关的沉降,也就是由于固结或流变产生的沉降。因此,摩擦型桩基础的沉降不是用简单的弹性理论就能描述的问题,这就是为什么依据弹性理论公式的各种桩基沉降计算方法,在实际工程的应用中往往都与实测结果存在较大的出入,即使经过修正,两者也只能在某一范围内比较接近的原因。
    近年来越来越多的研究人员和设计人员理解了,目前借用弹性理论的公式计算桩基沉降,实质是一种经验拟合方法。
    从经验拟合这一观点出发,本规范推荐Mindlin方法和考虑应力扩散以及不考虑应力扩散的实体深基础方法。修订组收集了部分软土地区62栋房屋沉降实测资料和工程计算资料,将大量实际工程的长期沉降观测资料与各种计算方法的计算值对比,经过统计分析,最后推荐了桩基础最终沉降量计算的经验修正系数。考虑应力扩散以及不考虑应力扩散的实体深基础方法计算沉降量和沉降计算深度都有差异,从统计意义上沉降量计算的经验修正系数差异不大。

8.5.16 20世纪80年代上海市开始采用为控制沉降而设置桩基的方法,取得显著的社会经济效益。目前天津、湖北、福建等省市也相继应用了上述方法。开发这种方法是考虑桩、土、承台共同工作时,基础的承载力可以满足要求,而下卧层变形过大,此时采用摩擦型桩旨在减少沉降,以满足建筑物的使用要求。以控制沉降为目的设置桩基是指直接用沉降量指标来确定用桩的数量。能否实行这种设计方法,必须要有当地的经验,特别是符合当地工程实践的桩基沉降计算方法。直接用沉降量确定用桩数量后。还必须满足本条所规定的使用条件和构造措施。上述方法的基本原则有三点:
    一、设计用桩数量可以根据沉降控制条件,即允许沉降量计算确定。
    二、基础总安全度不能降低,应按桩、土和承台共同作用的实际状态来验算。桩土共同工作是一个复杂的过程,随着沉降的发展,桩、土的荷载分担不断变化,作为一种最不利状态的控制,桩顶荷载可能接近或等于单桩极限承载力。为了保证桩基的安全度,规定按承载力特征值计算的桩群承载力与土承载力之和应大于或等于作用的标准组合产生的作用在桩基承台顶面的竖向力与承台及其上土自重之和。
    三、为保证桩、土和承台共同工作,应采用摩擦型桩,使桩基产生可以容许的沉降,承台底不致脱空,在桩基沉降过程中充分发挥桩端持力层的抗力。同时桩端还要置于相对较好的土层中,防止沉降过大,达不到预期控制沉降的目的。为保证承台底不脱空,当承台底土为欠固结土或承载力利用价值不大的软土时,尚应对其进行处理。

8.5.18 本条是桩基承台的弯矩计算。
    1 承台试件破坏过程的描述
    中国石化总公司洛阳设计院和郑州工学院曾就桩台受弯问题进行专题研究。试验中发现,凡属抗弯破坏的试件均呈梁式破坏的特点。四桩承台试件采用均布方式配筋,试验时初始裂缝首先在承台两个对应边的一边或两边中部或中部附近产生,之后在两个方向交替发展,并逐渐演变成各种复杂的裂缝而向承台中部合拢,最后形成各种不同的破坏模式。三桩承台试件是采用梁式配筋,承台中部因无配筋而抗裂性能较差,初始裂缝多由承台中部开始向外发展,最后形成各种不同的破坏模式。可以得出,不论是三桩试件还是四桩试件,它们在开裂破坏的过程中,总是在两个方向上互相交替承担上部主要荷载,而不是平均承担,也即是交替起着梁的作用。
    2 推荐的抗弯计算公式
    通过对众多破坏模式的理论分析,选取图49所示的四种典模型式作为公式推导的依据。

图49 承台破坏模式
(a)四桩承台;(b)等边三桩承台(一);(c)等边三桩承台(二);(d)等腰三桩承台

        1)图49a四桩承台破坏模式系屈服线将承台分成很规则的若干块几何块体。设块体为刚性的,变形略去不计,最大弯矩产生于屈服线处,该弯矩全部由钢筋来承担,不考虑混凝土的拉力作用,则利用极限平衡方法并按悬臂梁计算。

Mx=∑(Niyi)
My=∑(Nixi)

        2)图49b是等边三桩承台具有代表性的破坏模式,可利用钢筋混凝土板的屈服线理论,按机动法的基本原理来推导公式得:

 
             (1)          

        由图49c的等边三桩承台最不利破坏模式,可得另一个公式即:

式(1)考虑屈服线产生在柱边,过于理想化;式(2)未考虑柱子的约束作用,是偏于安全的。根据试件破坏的多数情况,采用(1)、(2)二式的平均值为规范的推荐公式(8.5.18-3):

        3)由图49d,等腰三桩承台典型的屈服线基本上都垂直于等腰三桩承台的两个腰,当试件在长跨产生开裂破坏后,才在短跨内产生裂缝。因此根据试件的破坏形态并考虑梁的约束影响作用,按梁的理论给出计算公式。
        在长跨,当屈服线通过柱中心时:

式(3)未考虑柱子的约束影响,偏于安全;而式(4)考虑屈服线通过往边缘处,又不够安全,今采用两式的平均值作为推荐公式(8.5.18-4):

上述所有三桩承台计算的M值均指由柱截面形心到相应承台边的板带宽度范围内的弯矩,因而可按此相应宽度采用三向配筋。

8.5.19 柱对承台的冲切计算方法,本规范在编制时曾考虑了以下两种计算方法:方法一为冲切临界截面取柱边0.5h0处,当冲切临界截面与桩相交时,冲切力扣除相交那部分单桩承载力,采用这种计算方法的国家有美国、新西兰,我国20世纪90年代前一些设计单位亦多采用此法;方法二为冲切锥体取柱边或承台变阶处至相应桩顶内边缘连线所构成的锥体并考虑了冲跨比的影响,原苏联及我国《建筑桩基技术规范》JGJ 94均采用这种方法。计算结果表明,这两种方法求得的柱对承台冲切所需的有效高度是十分接近的,相差约5%左右。考虑到方法一在计算过程中需要扣除冲切临界截面与柱相交那部分面积的单桩承载力,为避免计算上繁琐,本规范推荐采用方法二。
    本规范公式(8.5.19-1)中的冲切系数是按λ=1时与我国现行《混凝土结构设计规范》GB 50010的受冲切承载力公式相衔接,即冲切破坏锥体与承台底面的夹角为45°时冲切系数α=0.7提出来的。
    图50及图51分别给出了采用本规范和美国ACI 318计算的一典型九桩承台内柱对承台冲切、角桩对承台冲切所需的承台有效高度比较表,其中桩径为800mm,柱距为2400mm,方柱尺寸为1550mm,承台宽度为6400mm。按本规范算得的承台有效高度与美国ACI 318规范相比较略偏于安全。但是,美国钢筋混凝土学会CRSI手册认为由角桩荷载引起的承台角隅45°剪切破坏较之角桩冲切破坏更为不利,因此尚需验算距柱边h0承台角隅45°处的抗剪强度。

8.5.20 本条为强制性条文。桩基承台的柱边、变阶处等部位剪力较大,应进行斜截面抗剪承载力验算。

图51 角桩对承台冲切承台有效高度比较

8.5.21 桩基承台的抗剪计算,在小剪跨比的条件下具有深梁的特征。关于深梁的抗剪问题,近年来我国已发表了一系列有关的抗剪强度试验报告以及抗剪承载力计算文章,尽管文章中给出的抗剪承载力的表达式不尽相同,但结果具有很好的一致性。本规范提出的剪切系数是通过分析和比较后确定的,它已能涵盖深梁、浅梁不同条件的受剪承载力。图52给出了一典型的九桩承台的柱边剪切所需的承台有效高度比较表,按本规范求得的柱边剪切所需的承台有效高度与美国ACI 318规范求得的结果是相当接近的。

图52 柱边剪切承台有效高度比较

8.5.22 本条为强制性条文。桩基承台与柱、桩交界处承受较大的竖向力,设计时应进行局部受压承载力计算。

8.5.23 承台之间的连接,通常应在两个互相垂直的方向上设置连系梁。对于单层工业厂房排架柱基础横向跨度较大、设置连系梁有困难,可仅在纵向设置连系梁,在端部应按基础设计要求设置地梁。

8.4.1 筏形基础分为平板式和梁板式两种类型,其选型应根据工程具体条件确定。与梁板式筏基相比,平板式筏基具有抗冲切及抗剪切能力强的特点,且构造简单,施工便捷,经大量工程实践和部分工程事故分析,平板式筏基具有更好的适应性。

8.4.2 对单幢建筑物,在均匀地基的条件下,基础底面的压力和基础的整体倾斜主要取决于作用的准永久组合下产生的偏心距大小。对基底平面为矩形的筏基,在偏心荷载作用下,基础抗倾覆稳定系数KF可用下式表示:

式中:
    B——与组合荷载竖向合力偏心方向平行的基础边长;
    e——作用在基底平面的组合荷载全部竖向合力对基底面积形心的偏心距;
    y——基底平面形心至最大受压边缘的距离,γ为y与B的比值。
    从式中可以看出e/B直接影响着抗倾覆稳定系数KF,KF随着e/B的增大而降低,因此容易引起较大的倾斜。表19三个典型工程的实测证实了在地基条件相同时,e/B越大,则倾斜越大。

表19 e/B值与整体倾斜的关系

地基条件工程名称横向偏心距e(m)基底宽度B(m)e/B实测倾斜(‰)
上海软土地基胸科医院0.16417.91/1092.1(有相邻建筑影响)
上海软土地基某研究所0.15414.81/962.7
北京硬土地基中医医院0.29712.61/421.716(唐山地震时北京烈度为6度,未发现明显变化)

    高层建筑由于楼身质心高,荷载重,当筏形基础开始产生倾斜后,建筑物总重对基础底面形心将产生新的倾覆力矩增量,而倾覆力矩的增量又产生新的倾斜增量,倾斜可能随时间而增长,直至地基变形稳定为止。因此,为避免基础产生倾斜,应尽量使结构竖向荷载合力作用点与基础平面形心重合,当偏心难以避免时,则应规定竖向合力偏心距的限值。本规范根据实测资料并参考交通部(公路桥涵设计规范)对桥墩合力偏心距的限制,规定了在作用的准永久组合时,e≤0.1W/A。从实测结果来看,这个限制对硬土地区稍严格,当有可靠依据时可适当放松。

8.4.3 国内建筑物脉动实测试验结果表明,当地基为非密实土和岩石持力层时,由于地基的柔性改变了上部结构的动力特性,延长了上部结构的基本周期以及增大了结构体系的阻尼,同时土与结构的相互作用也改变了地基运动的特性。结构按刚性地基假定分析的水平地震作用比其实际承受的地震作用大,因此可以根据场地条件、基础埋深、基础和上部结构的刚度等因素确定是否对水平地震作用进行适当折减。
    实测地震记录及理论分析表明,土中的水平地震加速度一般随深度而渐减,较大的基础埋深,可以减少来自基底的地震输入,例如日本取地表下20m深处的地震系数为地表的0.5倍;法国规定筏基或带地下室的建筑的地震荷载比一般的建筑少20%。同时,较大的基础埋深,可以增加基础侧面的摩擦阻力和土的被动土压力,增强土对基础的嵌固作用。美国FEMA386及IBC规范采用加长结构物自振周期作为考虑地基土的柔性影响,同时采用增加结构有效阻尼来考虑地震过程中结构的能量耗散,并规定了结构的基底剪力最大可降低30%。
    本次修订,对不同土层剪切波速、不同场地类别以及不同基础埋深的钢筋混凝土剪力墙结构,框架剪力墙结构和框架核心筒结构进行分析,结合我国现阶段的地震作用条件并与美国UBC1977和FEMA386、IBC规范进行了比较,提出了对四周与土层紧密接触带地下室外墙的整体式筏基和箱基,场地类别为Ⅲ类和Ⅳ类,结构基本自振周期处于特征周期的1.2倍~5倍范围时,按刚性地基假定分析的基底水平地震剪力和倾覆力矩可根据抗震设防烈度乘以折减系数,8度时折减系数取0.9,9度时折减系数取0.85,该折减系数是一个综合性的包络值,它不能与现行国家标准《建筑抗震设计规范》GB 50011第5.2节中提出的折减系数同时使用。

8.4.6 本条为强制性条文。平板式筏基的板厚通常由冲切控制,包括柱下冲切和内筒冲切,因此其板厚应满足受冲切承载力的要求。

8.4.7 N.W.Hanson和J.M.Hanson在他们的《混凝土板柱之间剪力和弯矩的传递》试验报告中指出:板与柱之间的不平衡弯矩传递,一部分不平衡弯矩是通过临界截面周边的弯曲应力T和C来传递,而一部分不平衡弯矩则通过临界截面上的偏心剪力对临界截面重心产生的弯矩来传递的,如图32所示。因此,在验算距柱边h0/2处的冲切临界截面剪应力时,除需考虑竖向荷载产生的剪应力外,尚应考虑作用在冲切临界截面重心上的不平衡弯矩所产生的附加剪应力。本规范公式(8.4.7-1)右侧第一项是根据现行国家标准《混凝土结构设计规范》GB 50010在集中力作用下的冲切承载力计算公式换算而得,右侧第二项是引自美国ACI 318规范中有关的计算规定。



图32 板与柱不平衡弯矩传递示意

    关于公式(8.4.7-1)中冲切力取值的问题,国内外大量试验结果表明,内柱的冲切破坏呈完整的锥体状,我国工程实践中一直沿用柱所承受的轴向力设计值减去冲切破坏锥体范围内相应的地基净反力作为冲切力;对边柱和角柱,中国建筑科学研究院地基所试验结果表明,其冲切破坏锥体近似为1/2和1/4圆台体,本规范参考了国外经验,取柱轴力设计值减去冲切临界截面范围内相应的地基净反力作为冲切力设计值。
    本规范中的角柱和边柱是相对于基础平面而言的。大量计算结果表明,受基础盆形挠曲的影响,基础的角柱和边柱产生了附加的压力。本次修订时将角柱和边柱的冲切力乘以了放大系数1.2和1.1。
    公式(8.4.7-1)中的Munb是指作用在柱边h0/2处冲切临界截面重心上的弯矩,对边柱它包括由柱根处轴力N和该处筏板冲切临界截面范围内相应的地基反力P对临界截面重心产生的弯矩。由于本条中筏板和上部结构是分别计算的,因此计算M值时尚应包括柱子根部的弯矩设计值Mc,如图33所示,M的表达式为:

Munb=NeN-Pep±Mc

    对于内柱,由于对称关系,柱截面形心与冲切临界截面重心重合,eN=ep=0,因此冲切临界截面重心上的弯矩,取柱根弯矩设计值。
    国外试验结果表明,当柱截面的长边与短边的比值βs大于2时,沿冲切临界截面的长边的受剪承载力约为柱短边受剪承载力的一半或更低。本规范的公式(8.4.7-2)是在我国受冲切承载力公式的基础上,参考了美国ACI 318规范中受冲切承载力公式中有关规定,引进了柱截面长、短边比值的影响,适用于包括扁柱和单片剪力墙在内的平板式筏基。图34给出了本规范与美国ACI 318规范在不同βs条件下筏板有效高度的比较,由于我国受冲切承载力取值偏低,按本规范算得的筏板有效高度稍大于美国ACI 318规范相关公式的结果。



图33 边柱Munb计算示意
1—冲切临界截面重心;2—柱;3—筏板

图34 不同βs条件下筏板有效高度的比较
1—实例一、筏板区格9m×11m,作用的标准组合的地基土
净反力345.6kPa;2—实例二、筏板区格7m×9.45m,
作用的标准组合的地基土净反力245.5kPa

    对有抗震设防要求的平板式筏基,尚应验算地震作用组合的临界截面的最大剪应力τE,max,此时公式(8.4.7-1)和式(8.4.7-2)应改写为:

式中:
    VsE——作用的地震组合的集中反力设计值(kN);
    ME——作用的地震组合的冲切临界截面重心上的弯矩设计值(kN·m);
    As——距柱边h0/2处的冲切临界截面的筏板有效面积(m2);
    γRE——抗震调整系数,取0.85。

8.4.8 Venderbilt在他的《连续板的抗剪强度》试验报告中指出:混凝土抗冲切承载力随比值um/h0的增加而降低。由于使用功能上的要求,核心筒占有相当大的面积,因而距核心筒外表面h0/2处的冲切临界截面周长是很大的,在h0保持不变的条件下,核心筒下筏板的受冲切承载力实际上是降低了,因此设计时应验算核心筒下筏板的受冲切承载力,局部提高核心筒下筏板的厚度。此外,我国工程实践和美国休斯敦壳体大厦基础钢筋应力实测结果表明,框架-核心筒结构和框筒结构下筏板底部最大应力出现在核心筒边缘处,因此局部提高核心筒下筏板的厚度,也有利于核心筒边缘处筏板应力较大部位的配筋。本规范给出的核心筒下筏板冲切截面周长影响系数η,是通过实际工程中不同尺寸的核心筒,经分析并和美国ACI 318规范对比后确定的(详见表20)。

表20 内筒下筏板厚度比较

8.4.9 本条为强制性条文。平板式筏基内筒、柱边缘处以及筏板变厚度处剪力较大,应进行抗剪承载力验算。

8.4.10 通过对已建工程的分析,并鉴于梁板式筏基基础梁下实测土反力存在的集中效应、底板与土壤之间的摩擦力作用以及实际工程中底板的跨厚比一般都在14~6之间变动等有利因素,本规范明确了取距内柱和内筒边缘h0处作为验算筏板受剪的部位,如图35所示;角柱下验算筏板受剪的部位取距柱角h0处,如图36所示。式(8.4.10)中的Vs即作用在图35或图36中阴影面积上的地基平均净反力设计值除以验算截面处的板格中至中的长度(内柱)、或距角柱角点h0处45°斜线的长度(角柱)。国内筏板试验报告表明:筏板的裂缝首先出现在板的角部,设计中当采用简化计算方法时,需适当考虑角点附近土反力的集中效应,乘以1.2的增大系数。图37给出了筏板模型试验中裂缝发展的过程。设计中当角柱下筏板受剪承载力不满足规范要求时,也可采用适当加大底层角柱横截面或局部增加筏板角隅板厚等有效措施,以期降低受剪截面处的剪力。

对于上部为框架-核心筒结构的平板式筏形基础,设计人应根据工程的具体情况采用符合实际的计算模型或根据实测确定的地基反力来验算距核心筒h0处的筏板受剪承载力。当边柱与核心筒之间的距离较大时,式(8.4.10)中的Vs即作用在图38中阴影面积上的地基平均净反力设计值与边柱轴力设计值之差除以b,b取核心筒两侧紧邻跨的跨中分线之间的距离。当主楼核心筒外侧有两排以上框架柱或边柱与核心筒之间的距离较小时,设计人应根据工程具体情况慎重确定筏板受剪承载力验算单元的计算宽度。

图38 框架-核心筒下筏板受剪承载力计算截面位置和计算
1—混凝土核心筒与柱之间的中分线;2—剪切计算截面;3—验算单元的计算宽度b

    关于厚筏基础板厚中部设置双向钢筋网的规定,同国家标准《混凝土结构设计规范》GB 50010的要求。日本Shioya等通过对无腹筋构件的截面高度变化试验,结果表明,梁的有效高度从200mm变化到3000mm时,其名义抗剪强度(V/bh0)降低64%。加拿大M.P.Collins等研究了配有中间纵向钢筋的无腹筋梁的抗剪承载力,试验研究表明,构件中部的纵向钢筋对限制斜裂缝的发展,改善其抗剪性能是有效的。

8.4.11 本条为强制性条文。本条规定了梁板式筏基底板的设计内容:抗弯计算、受冲切承载力计算、受剪切承载力计算。为确保梁板式筏基底板设计的安全,在进行梁板式筏基底板设计时必须严格执行。

8.4.12 板的抗冲切机理要比梁的抗剪复杂,目前各国规范的受冲切承载力计算公式都是基于试验的经验公式。本规范梁板式筏基底板受冲切承载力和受剪承载力验算方法源于《高层建筑箱形基础设计与施工规程》JGJ 6-80。验算底板受剪承载力时,规程JGJ 6-80规定了以距墙边h0(底板的有效高度)处作为验算底板受剪承载力的部位。在本规范2002版编制时,对北京市十余幢已建的箱形基础进行调查及复算,调查结果表明按此规定计算的底板并没有发现异常现象,情况良好。表21和表22给出了部分已建工程有关箱形基础双向底板的信息,以及箱形基础双向底板按不同规范计算剪切所需的h0。分析比较结果表明,取距支座边缘h0处作为验算双向底板受剪承载力的部位,并将梯形受荷面积上的平均净反力摊在(ln2-2h0)上的计算结果与工程实际的板厚以及按ACI 318计算结果是十分接近的。

表21 已建工程箱形基础双向底板信息表

序号工程名称板格尺寸(m×m)地基净反力标准值(kPa)支座宽度(m)混凝土强度等级底板实用厚度h(mm)
海军医院门诊楼7.2×7.5231.20.60C25550
望京Ⅱ区1号楼6.3×7.2413.60.20C25850
望京Ⅱ区2号楼6.3×7.2290.40.20C25700
望京Ⅱ区3号楼6.3×7.2384.00.20C25850
松榆花园1号楼8.1×8.4616.80.25C351200
中鑫花园6.15×9.0414.40.30C30900
天创成7.9×10.1595.50.25C301300
沙板庄小区6.4×8.7434.00.20C301000

表22 已建工程箱形基础双向底板剪切计算分析

8.4.14 中国建筑科学研究院地基所黄熙龄和郭天强在他们的框架柱-筏基础模型试验报告中指出,在均匀地基上,上部结构刚度较好,柱网和荷载分布较均匀,且基础梁的截面高度大于或等于1/6的梁板式筏基基础,可不考虑筏板的整体弯曲,只按局部弯曲计算,地基反力可按直线分布。试验是在粉质黏土和碎石土两种不同类型的土层上进行的,筏基平面尺寸为3220mm×2200mm,厚度为150mm(图39),其上为三榀单层框架(图40)。试验结果表明,土质无论是粉质黏土还是碎石土,沉降都相当均匀(图41),筏板的整体挠曲度约为万分之三。基础内力的分布规律,按整体分析法(考虑上部结构作用)与倒梁法是一致的,且倒梁板法计算出来的弯矩值还略大于整体分析法(图42)。



图40 模型试验(B)轴线剖面图
1—框架梁;2—柱;3—传感器;4—筏板

图42 整体分析法与倒梁板法弯矩计算结果比较
1—整体(考虑上部结构刚度);2—倒梁板法

    对单幢平板式筏基,当地基土比较均匀,地基压缩层范围内无软弱土层或可液化土层、上部结构刚度较好,柱网和荷载较均匀、相邻柱荷载及柱间距的变化不超过20%,上部结构刚度较好,筏板厚度满足受冲切承载力要求,且筏板的厚跨比不小于1/6时,平板式筏基可仅考虑局部弯曲作用。筏形基础的内力,可按直线分布进行计算。当不满足上述条件时,宜按弹性地基理论计算内力,分析时采用的地基模型应结合地区经验进行选择。
    对于地基土、结构布置和荷载分布不符合本条要求的结构,如框架—核心筒结构等,核心筒和周边框架柱之间竖向荷载差异较大,一般情况下核心筒下的基底反力大于周边框架柱下基底反力,因此不适用于本条提出的简化计算方法,应采用能正确反映结构实际受力情况的计算方法。

8.4.16 工程实践表明,在柱宽及其两侧一定范围的有效宽度内,其钢筋配置量不应小于柱下板带配筋量的一半,且应能承受板与柱之间部分不平衡弯矩αmMunb,以保证板柱之间的弯矩传递,并使筏板在地震作用过程中处于弹性状态。条款中有效宽度的范围,是根据筏板较厚的特点,以小于1/4板跨为原则而提出来的。有效宽度范围如图43所示。

图43 柱两侧有效宽度范围的示意
1—有效宽度范围内的钢筋应不小于柱下板带配筋量的一半,且能承担αmMunb;2—柱下板带;3—柱;4—跨中板带

8.4.18 本条为强制性条文。梁板式筏基基础梁和平板式筏基的顶面处与结构柱、剪力墙交界处承受较大的竖向力,设计时应进行局部受压承载力计算。

8.4.20 中国建筑科学研究院地基所黄熙龄、袁勋、宫剑飞、朱红波等对塔裙一体大底盘平板式筏形基础进行室内模型系列试验以及实际工程的原位沉降观测,得到以下结论:
    1 厚筏基础(厚跨比不小于1/6)具备扩散主楼荷载的作用,扩散范围与相邻裙房地下室的层数、间距以及筏板的厚度有关,影响范围不超过三跨。
    2 多塔楼作用下大底盘厚筏基础的变形特征为:各塔楼独立作用下产生的变形效应通过以各个塔楼下面一定范围内的区域为沉降中心,各自沿径向向外围衰减。
    3 多塔楼作用下大底盘厚筏基础的基底反力的分布规律为:各塔楼荷载产出的基底反力以其塔楼下某一区域为中心,通过各自塔楼周围的裙房基础沿径向向外围扩散,并随着距离的增大而逐渐衰减。
    4 大比例室内模型系列试验和工程实测结果表明,当高层建筑与相连的裙房之间不设沉降缝和后浇带时,高层建筑的荷载通过裙房基础向周围扩散并逐渐减小,因此与高层建筑紧邻的裙房基础下的地基反力相对较大,该范围内的裙房基础板厚度突然减小过多时,有可能出现基础板的截面因承载力不够而发生破坏或其因变形过大出现裂缝。因此本条提出高层建筑及与其紧邻一跨的裙房筏板应采用相同厚度,裙房筏板的厚度宜从第二跨裙房开始逐渐变化。
    5 室内模型试验结果表明,平面呈L形的高层建筑下的大面积整体筏形基础,筏板在满足厚跨比不小于1/6的条件下,裂缝发生在与高层建筑相邻的裙房第一跨和第二跨交接处的柱旁。试验结果还表明,高层建筑连同紧邻一跨的裙房其变形相当均匀,呈现出接近刚性板的变形特征。因此,当需要设置后浇带时,后浇带宜设在与高层建筑相邻裙房的第二跨内(见图44)。

图44 平面呈L形的高层建筑后浇带示意
1—L形高层建筑;2—后浇带

8.4.21 室内模型试验和工程沉降观察以及反算结果表明,在同一大面积整体筏形基础上有多幢高层和低层建筑时,筏形基础的结构分析宜考虑上部结构、基础与地基土的共同作用,否则将得到与沉降测试结果不符的较小的基础边缘沉降值和较大的基础挠曲度。

8.4.22 高层建筑基础不但应满足强度要求,而且应有足够的刚度,方可保证上部结构的安全。本规范基础挠曲度△/L的定义为:基础两端沉降的平均值和基础中间最大沉降的差值与基础两端之间距离的比值。本条给出的基础挠曲△/L=0.5‰限值,是基于中国建筑科学研究院地基所室内模型系列试验和大量工程实测分析得到的。试验结果表明,模型的整体挠曲变形曲线呈盆形,当△/L>0.7‰时,筏板角部开始出现裂缝,随后底层边、角柱的根部内侧顺着基础整体挠曲方向出现裂缝。英国Burland曾对四幢直径为20m平板式筏基的地下仓库进行沉降观测,筏板厚度1.2m,基础持力层为白垩层土。四幢地下仓库的整体挠曲变形曲线均呈反盆状(图45),当基础挠曲度△/L=0.45‰时,混凝土柱子出现发丝裂缝,当△/L=0.6‰时,柱子开裂严重,不得不设置临时支撑。因此,控制基础挠曲度的是完全必要的。

图45 四幢地下仓库平板式筏基的整体挠曲变形曲线及柱子裂缝示意

图46 大底盘结构试验模型平面及剖面

8.4.23 中国建筑科学研究院地基所滕延京和石金龙对大底盘框架-核心筒结构筏板基础进行了室内模型试验,试验基坑内为人工换填的均匀粉土,深2.5m,其下为天然地基老土。通过载荷板试验,地基土承载力特征值为100kPa。试验模型比例i=6,上部结构为8层框架-核心筒结构,其左右两侧各带1跨2层裙房,筏板厚度为220mm,楼板厚度:1层为35mm,2层为50mm,框架柱尺寸为150mm×150mm,大底盘结构模型平面及剖面见图46。
    试验结果显示:
    1 当筏板发生纵向挠曲时,在上部结构共同作用下,外扩裙房的角柱和边柱抑制了筏板纵向挠曲的发展,柱下筏板存在局部负弯矩,同时也使顺着基础整体挠曲方向的裙房底层边、角柱下端的内侧,以及底层边、角柱上端的外侧出现裂缝。
    2 裙房的角柱内侧楼板出现弧形裂缝、顺着挠曲方向裙房的外柱内侧楼板以及主裙楼交界处的楼板均发生了裂缝,图47及图48为一层和二层楼板板面裂缝位置图。本条的目的旨在从构造上加强此类楼板的薄弱环节。

图47 一层楼板板面裂缝位置图

图48 二层楼板板面裂缝位置图

8.4.24 试验资料和理论分析都表明,回填土的质量影响着基础的埋置作用,如果不能保证填土和地下室外墙之间的有效接触,将减弱土对基础的约束作用,降低基侧土对地下结构的阻抗。因此,应注意地下室四周回填土应均匀分层夯实。

8.4.25 20世纪80年代,国内王前信、王有为曾对北京和上海20余栋23m~58m高的剪力墙结构进行脉动试验,结果表明由于上海的地基土质软于北京,建于上海的房屋自振周期比北京类似的建筑物要长30%,说明了地基的柔性改变了上部结构的动力特性。反之上部结构也影响了地基土的黏滞效应,提高了结构体系的阻尼。
    通常在设计中都假定上部结构嵌固在基础结构上,实际上这一假定只有在刚性地基的条件下才能实现。对绝大多数都属柔性地基的地基土而言,在水平力作用下结构底部以及地基都会出现转动,因此所谓嵌固实质上是指接近于固定的计算基面。本条中的嵌固即属此意。
    1989年,美国旧金山市一幢257.9m高的钢结构建筑,地下室采用钢筋混凝土剪力墙加强,其下为2.7m厚的筏板,基础持力层为黏性土和密实性砂土,基岩位于室外地面下48m~60m处。在强震作用下,地下室除了产生52.4mm的整体水平位移外,还产生了万分之三的整体转角。实测记录反映了两个基本事实:其一是厚筏基础四周外墙与土层紧密接触,且具有一定数量纵横内墙的地下室变形呈现出与刚体变形相似的特征;其二是地下结构的转角体现了柔性地基的影响。地震作用下,既然四周与土壤接触的具有外墙的地下室变形与刚体变形基本一致,那么在抗震设计中可假设地下结构为一刚体,上部结构嵌固在地下室的顶板上,而在嵌固部位处增加一个大小与柔性地基相同的转角。
    对有抗震设防要求的高层建筑基础和地下结构设计中的一个重要原则是,要求基础和地下室结构应具有足够的刚度和承载力,保证上部结构进入非弹性阶段时,基础和地下室结构始终能承受上部结构传来的荷载并将荷载安全传递到地基上。因此,当地下一层结构顶板作为上部结构的嵌固部位时,为避免塑性铰转移到地下一层结构,保证上部结构在地震作用下能实现预期的耗能机制,本规范规定了地下一层的层间侧向刚度大于或等于与其相连的上部结构楼层刚度的1.5倍。地下室的内外墙与主楼剪力墙的间距符合条文中表8.4.25要求时,可将该范围内的地下室的内墙的刚度计入地下室层间侧向刚度内,但该范围内的侧向刚度不能重叠使用于相邻建筑,6度区和非抗震设计的建筑物可参照表8.4.25中的7度、8度区的要求适当放宽。
    当上部结构嵌固地下一层结构顶板上时,为保证上部结构的地震等水平作用能有效通过楼板传递到地下室抗侧力构件中,地下一层结构顶板上开设洞口的面积不宜大于该层面积的30%;沿地下室外墙和内墙边缘的楼板不应有大洞口;地下一层结构顶板应采用梁板式楼盖;楼板的厚度、混凝土强度等级及配筋率不应过小。本规范提出地下一层结构顶板的厚度不应小于180mm的要求,不仅旨在保证楼板具有一定的传递水平作用的整体刚度,还旨在充分发挥其有效减小基础整体弯曲变形和基础内力的作用,使结构受力、变形更为合理、经济。试验和沉降观察结果的反演均显示了楼板参与工作后对降低基础整体挠曲度的贡献,基础整体挠曲度随着楼板厚度的增加而减小。
    当不符合本条要求时,建筑物的嵌固部位可设在筏基的顶部,此时宜考虑基侧土对地下室外墙和基底土对地下室底板的抗力。

8.4.26 国内震害调查表明,唐山地震中绝大多数地面以上的工程均遭受严重破坏,而地下人防工程基本完好。如新华旅社上部结构为8层组合框架,8度设防,实际地震烈度为10度。该建筑物的梁、柱和墙体均遭到严重破坏(未倒塌),而地下室仍然完好。天津属软土区,唐山地震波及天津时,该地区的地震烈度为7度~8度,震后已有的人防地下室基本完好,仅人防通道出现裂缝。这不仅仅由于地下室刚度和整体性一般较大,还由于土层深处的水平地震加速度一般比地面小,因此当结构嵌固在基础顶面时,剪力墙底部加强部位的高度应从地下室顶板算起,但地下部分也应作为加强部位。国内震害还表明,个别与上部结构交接处的地下室柱头出现了局部压坏及剪坏现象。这表明在强震作用下,塑性铰的范围有向地下室发展的可能。因此,与上部结构底层相邻的那一层地下室是设计中需要加强的部位。有关地下室的抗震等级、构件的截面设计以及抗震构造措施参照现行国家标准《建筑抗震设计规范》GB 50011有关条款使用。

8.3.1、8.3.2 基础梁的截面高度应根据地基反力、柱荷载的大小等因素确定。大量工程实践表明,柱下条形基础梁的截面高度一般为柱距的1/4~1/8。原上海工业建筑设计院对50项工程的统计,条形基础梁的高跨比在1/4~1/6之间的占工程数的88%。在选择基础梁截面时,柱边缘处基础梁的受剪截面尚应满足现行《混凝土结构设计规范》GB 50010的要求。
    关于柱下条形基础梁的内力计算方法,本规范给出了按连续梁计算内力的适用条件。在比较均匀的地基上,上部结构刚度较好,荷载分布较均匀,且条形基础梁的截面高度大于或等于1/6柱距时,地基反力可按直线分布考虑。其中基础梁高大于或等于1/6柱距的条件是通过与柱距l和文克勒地基模型中的弹性特征系数λ的乘积λl≤1.75作了比较,结果表明,当高跨比大于或等于1/6时,对一般柱距及中等压缩性的地基都可考虑地基反力为直线分布。当不满足上述条件时,宜按弹性地基梁法计算内力,分析时采用的地基模型应结合地区经验进行选择。

8.2.1 扩展基础是指柱下钢筋混凝土独立基础和墙下钢筋混凝土条形基础。由于基础底板中垂直于受力钢筋的另一个方向的配筋具有分散部分荷载的作用,有利于底板内力重分布,因此各国规范中基础板的最小配筋率都小于梁的最小配筋率。美国ACI 318规范中基础板的最小配筋率是按温度和混凝土收缩的要求规定为0.2%(ƒyk=275MPa~345MPa)和0.18%(ƒyk=415MPa);英国标准BS 8110规定板的两个方向的最小配筋率:低碳钢为0.24%,合金钢为0.13%;英国规范CP 110规定板的受力钢筋和次要钢筋的最小配筋率:低碳钢为0.25%和0.15%,合金钢为0.15%和0.12%;我国《混土结构设计规范》GB 50010规定对卧置于地基上的混凝土板受拉钢筋的最小配筋率不应小于0.15%。本规范此次修订,明确了柱下独立基础的受力钢筋最小配筋率为0.15%,此要求低于美国规范,与我国《混凝土结构设计规范》GB 50010对卧置于地基上的混凝土板受拉钢筋的最小配筋率以及英国规范对合金钢的最小配筋率要求相一致。
    为减小混凝土收缩产生的裂缝,提高条形基础对不均匀地基土适应能力,本次修订适当加大了分布钢筋的配筋量。

8.2.5 自本规范GBJ 7-89版颁布后,国内高杯口基础杯壁厚度以及杯壁和短柱部分的配筋要求基本上照此执行,情况良好。本次修订,保留了本规范2002版增加的抗震设防烈度为8度和9度时,短柱部分的横向箍筋的配置量不宜小于ф8@150的要求。
    制定高杯口基础的构造依据是:
    1 杯壁厚度t
    多数设计在计算有短柱基础的厂房排架时,一般都不考虑短柱的影响,将排架柱视作固定在基础杯口顶面的二阶柱(图29b)。这种简化计算所得的弯矩m较考虑有短柱存在按三阶柱(图29c)计算所得的弯矩小。


图29 带短柱基础厂房的计算示意
(a)厂房图形;(b)简化计算;(c)精确计算

    原机械工业部设计院对起重机起重量小于或等于750kN、轨顶标高在14m以下的一般工业厂房做了大量分析工作,分析结果表明:短柱刚度愈小即△2/△1的比值愈大(图29a),则弯矩误差(△m/m)%,即[(m'-m)/m]%愈大。图30为二阶柱和三阶柱的弯矩误差关系,从图中可以看到,当△2/△1=1.11时,△m/m=8%,构件尚属安全使用范围之内。在相同的短柱高度和相同的柱截面条件下,短柱的刚度与杯壁的厚度t有关,GBJ 7-89规范就是据此规定杯壁的厚度。通过十多年实践,按构造配筋的限制条件可适当放宽,本规范2002版参照《机械工厂结构设计规范》GBJ 8-97增加了第8.2.5条中第2、3款的限制条件。
    对符合本规范条文要求,且满足表8.2.5杯壁厚度最小要求的设计可不考虑高杯口基础短柱部分对排架的影响,否则应按三阶柱进行分析。
    2 杯壁配筋
    杯壁配筋的构造要求是基于横向(顶层钢筋网和横向箍筋)和纵向钢筋共同工作的计算方法,并通过试验验证。大量试算工作表明,除较小柱截面的杯口外,均能保证必需的安全度。顶层钢筋网由于抗弯力臂大,设计时应充分利用其抗弯承载力以减少杯壁其他的钢筋用量。横向箍筋ф8@150的抗弯承载力随柱的插入杯口深度h1而异,但当柱截面高度h大于1000mm,h1=0.8h时,抗弯能力有限,因此设计时横向箍筋不宜大于ф8@150。纵向钢筋直径可为12mm~16mm,且其设置量又与h成正比,h愈大则其抗弯承载力愈大,当h≥1000mm时,其抗弯承载力已达到甚至超过顶层钢筋网的抗弯承载力。

8.2.7 本条为强制性条文。规定了扩展基础的设计内容:受冲切承载力计算、受剪切承载力计算、抗弯计算、受压承载力计算。为确保扩展基础设计的安全,在进行扩展基础设计时必须严格执行。

 
图30 一般工业厂房△2/△1与(△m/m)%(上柱)关系
注:△1和△2的相关系数γ=0.817824352

8.2.10 墙下条形基础底板为单向受力,应验算墙与基础交接处单位长度的基础受剪切承载力。

8.2.11 本条中的公式(8.2.11-1)和式(8.2.11-2)是以基础台阶宽高比小于或等于2.5,以及基础底面与地基土之间不出现零应力区(e≤b/6)为条件推导出来的弯矩简化计算公式,适用于除岩石以外的地基。其中,基础台阶宽高比小于或等于2.5是基于试验结果,旨在保证基底反力呈直线分布。中国建筑科学研究院地基所黄熙龄、郭天强对不同宽高比的板进行了试验,试验板的面积为1.0m×1.0m。试验结果表明:在轴向荷载作用下,当h/l≤0.125时,基底反力呈现中部大、端部小(图31a、31b),地基承载力没有充分发挥基础板就出现井字形受弯破坏裂缝;当h/l=0.16时,地基反力呈直线分布,加载超过地基承载力特征值后,基础板发生冲切破坏(图31c);当h/l=0.20时,基础边缘反力逐渐增大,中部反力逐渐减小,在加荷接近冲切承载力时,底部反力向中部集中,最终基础板出现冲切破坏(图31d)。基于试验结果,对基础台阶宽高比小于或等于2.5的独立柱基可采用基底反力直线分布进行内力分析。

 
图31 不同宽高比的基础板下反力分布
h—板厚;l—板宽
1—开裂;2—柱边整齐裂缝;3—板底面;4—裂缝;5—板顶面

    此外,考虑到独立基础的高度一般是由冲切或剪切承载力控制,基础板相对较厚,如果用其计算最小配筋量可能导致底板用钢量不必要的增加,因此本规范提出对阶形以及锥形独立基础,可将其截面折算成矩形,其折算截面的宽度b0及截面有效高度h0按本规范附录U确定,并按最小配筋率0.15%计算基础底板的最小配筋量。 

8.1.1 本规范提供的各种无筋扩展基础台阶宽高比的允许值沿用了本规范1974版规定的允许值,这些规定都是经过长期的工程实践检验,是行之有效的。在本规范2002版编制时,根据现行国家标准《混凝土结构设计规范》GB 50010以及《砌体结构设计规范》GB 50003对混凝土和砌体结构的材料强度等级要求作了调整。计算结果表明,当基础单侧扩展范围内基础底面处的平均压力值超过300kPa时,应按下式验算墙(柱)边缘或变阶处的受剪承载力:

Vs≤0.366ƒtA

式中:
    Vs——相应于作用的基本组合时的地基土平均净反力产生的沿墙(柱)边缘或变阶处的剪力设计值(kN);
    A——沿墙(柱)边缘或变阶处基础的垂直截面面积(m2)。当验算截面为阶形时其截面折算宽度按附录U计算。
    上式是根据材料力学、素混凝土抗拉强度设计值以及基底反力为直线分布的条件下确定的,适用于除岩石以外的地基。
    对基底反力集中于立柱附近的岩石地基,基础的抗剪验算条件应根据各地区具体情况确定。重庆大学曾对置于泥岩、泥质砂岩和砂岩等变形模量较大的岩石地基上的无筋扩展基础进行了试验,试验研究结果表明,岩石地基上无筋扩展基础的基底反力曲线是一倒置的马鞍形,呈现出中间大,两边小,到了边缘又略为增大的分布形式,反力的分布曲线主要与岩体的变形模量和基础的弹性模量比值、基础的高宽比有关。由于试验数据少,且因我国岩石类别较多,目前尚不能提供有关此类基础的受剪承载力验算公式,因此有关岩石地基上无筋扩展基础的台阶宽高比应结合各地区经验确定。根据已掌握的岩石地基上的无筋扩展基础试验中出现沿柱周边直剪和劈裂破坏现象,提出设计时应对柱下混凝土基础进行局部受压承载力验算,避免柱下素混凝土基础可能因横向拉应力达到混凝土的抗拉强度后引起基础周边混凝土发生竖向劈裂破坏和压陷。

7.5.5 在计算依据(基础由于地面荷载引起的倾斜值≤0.008)和计算方法与原规范相同的基础上,作了复算,结果见表16。
    表16中: [qeq]——地面的均布荷载允许值(kPa);
    [s′g]——中间柱基内侧边缘中点的地基附加沉降允许值(mm);
    β0——压在基础上的地面堆载(不考虑基础外的地面堆载影响)对基础内倾值的影响系数;
    β′0——和压在基础上的地面堆载纵向方向一致的压在地基上的地面堆载对基础内倾值的影响系数;
    l——车间跨度(m);
    b——车间跨度方向基础底面边长(m);
    d——基础埋深(m);
    a——地面堆载的纵向长度(m);
    zn——从室内地坪面起算的地基变形计算深度(m);
    Es——地基变形计算深度内按应力面积法求得土的平均压缩模量(MPa);
    αAz、αBz——柱基内、外侧边缘中点自室内地坪面起算至zn处的平均附加应力系数;
    αAd、αBd——柱基内、外侧边缘中点自室内地坪面起算至基底处的平均附加应力系数;
    tanθ0——纵向方向和压在基础上的地面堆载一致的压在地基上的地面堆载引起基础的内倾值;
    tanθ——地面堆载范围与基础内侧边缘线重合时,均布地面堆载引起的基础内倾值;
    β1……β10——分别表示地面堆载离柱基内侧边缘的不同位置和堆载的纵向长度对基础内倾值的影响系数。
    表16中:

[qeq]=0.008bEs/[znAz-αBz)-d(αAd-αBd)]
[s′s]=0.008bznαAz/[znAz-αBz)-d(αAd-αBd)]
β0=0.033b/[znAz-αBz)-d(αAd-αBd)]
β′0=tanθo/tanθ

    大面积地面荷载作用下地基附加沉降的计算举例:
    单层工业厂房,跨度l=24m,柱基底面边长b=3.5m,基础埋深1.7m,地基土的压缩模量Es=4MPa,堆载纵向长度a=60m,厂房填土在基础完工后填筑,地面荷载大小和范围如图28所示,求由于地面荷载作用下厂柱基内侧边缘中点(A)的地基附加沉降值,并验算是否满足天然地基设计要求。


图28 地面荷载计算示意
1—地面堆载q1=20kPa;2—填土q2=15.2kPa;3—填土pi=9.5kPa

    一、等效均布地面荷载qeq
    计算步骤如表17所示。
    二、柱基内侧边缘中点(A)的地基附加沉降值s′g
    计算时取a′=30m,b′=17.5m。计算步骤如表18所示。

表16 均布荷载允许值[qeq]地基沉降允许值[s′g]和系数β的计算总表

表 18

    注:地面荷载宽度b′=17.5m,由地基变形计算深度z处向上取计算层厚度为1.2m。从上表中得知地基变形计算深度zn为31m,所以由地面荷载引起柱基内侧边缘中点(A)的地基附加沉降值s′g=77.3mm。按a=60m,b=3.5m。查表16得地基附加沉降允许值[s′g]=80mm,故满足天然地基设计的要求。

7.2.7 本条为强制性条文。规定了复合地基设计的基本原则,为确保地基设计的安全,在进行地基设计时必须严格执行。
    复合地基是指由地基土和竖向增强体(桩)组成、共同承担荷载的人工地基。复合地基按增强体材料可分为刚性桩复合地基、粘结材料桩复合地基和无粘结材料桩复合地基。
    当地基土为欠固结土、膨胀土、湿陷性黄土、可液化土等特殊土时,设计时应综合考虑土体的特殊性质,选用适当的增强体和施工工艺,以保证处理后的地基土和增强体共同承担荷载。

7.2.8 本条为强制性条文。强调复合地基的承载力特征值应通过载荷试验确定。可直接通过复合地基载荷试验确定,或通过增强体载荷试验结合土的承载力特征值和地区经验确定。
    桩体强度较高的增强体,可以将荷载传递到桩端土层。当桩长较长时,由于单桩复合地基载荷试验的荷载板宽度较小,不能全面反映复合地基的承载特性。因此单纯采用单桩复合地基载荷试验的结果确定复合地基承载力特征值,可能由于试验的载荷板面积或由于褥垫层厚度对复合地基载荷试验结果产生影响。因此对复合地基承载力特征值的试验方法,当采用设计褥垫厚度进行试验时,对于独立基础或条形基础宜采用与基础宽度相等的载荷板进行试验,当基础宽度较大、试验有困难而采用较小宽度载荷板进行试验时,应考虑褥垫层厚度对试验结果的影响。必要时应通过多桩复合地基载荷试验确定。有地区经验时也可采用单桩载荷试验结果和其周边土承载力特征值结合经验确定。

7.2.9 复合地基的承载力计算应同时满足轴心荷载和偏心荷载作用的要求。 

7.2.10 复合地基的地基计算变形量可采用单向压缩分层总和法按本规范第5.3.5条~第5.3.8条有关的公式计算,加固区土层的模量取桩土复合模量。
    由于采用复合地基的建筑物沉降观测资料较少,一直沿用天然地基的沉降计算经验系数。各地使用对复合土层模量较低时符合性较好,对于承载力提高幅度较大的刚性桩复合地基出现计算值小于实测值的现象。本次修订通过对收集到的全国31个CFG桩复合地基工程沉降观测资料分析,得出地基的沉降计算经验系数与沉降计算深度范围内压缩模量当量值的关系,如图27所示,本次修订对于当量模量大于15MPa的沉降计算经验系数进行了调整。


图27 沉降计算经验系数与当量模量的关系