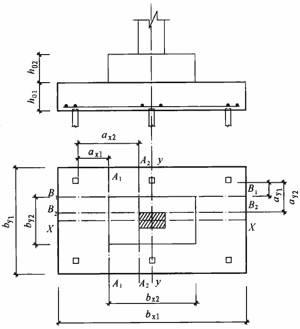
U.0.1 对于阶梯形承台应分别在变阶处(A1-A1,B1-B1)及柱边处(A2-A2,B2-B2)进行斜截面受剪计算(图U.0.1),并应符合下列规定:

图U.0.1 阶梯形承台斜截面受剪计算
1 计算变阶处截面A1-A1,B1-B1的斜截面受剪承载力时,其截面有效高度均为h01,截面计算宽度分别为by1~和bx1。
2 计算柱边截面A2-A2,B2-B2处的斜截面受剪承载力时,其截面有效高度均为h01+h02,截面计算宽度按下式进行计算:

U.0.2 对于锥形承台应对A-A及B-B两个截面进行受剪承载力计算(图U.0.2),截面有效高度均为h0,截面的计算宽度按下式计算:
