9.3.1 支护结构的作用效应包括下列各项:
1 土压力;
2 静水压力、渗流压力;
3 基坑开挖影响范围以内的建(构)筑物荷载、地面超载、施工荷载及邻近场地施工的影响;
4 温度变化及冻胀对支护结构产生的内力和变形;
5 临水支护结构尚应考虑波浪作用和水流退落时的渗流力;
6 作为永久结构使用时建筑物的相关荷载作用;
7 基坑周边主干道交通运输产生的荷载作用。
9.3.2 主动土压力、被动土压力可采用库仑或朗肯土压力理论计算。当对支护结构水平位移有严格限制时,应采用静止土压力计算。
9.3.3 作用于支护结构的土压力和水压力,对砂性土宜按水土分算计算;对黏性土宜按水土合算计算;也可按地区经验确定。
9.3.4 基坑工程采用止水帷幕并插入坑底下部相对不透水层时,基坑内外的水压力,可按静水压力计算。
9.3.5 当按变形控制原则设计支护结构时,作用在支护结构的计算土压力可按支护结构与土体的相互作用原理确定,也可按地区经验确定。
分类:建筑地基基础设计规范[附条文说明]GB 50007-2011
9.2 基坑工程勘察与环境调查
9.2.1 基坑工程勘察宜在开挖边界外开挖深度的1倍~2倍范围内布置勘探点。勘察深度应满足基坑支护稳定性验算、降水或止水帷幕设计的要求。当基坑开挖边界外无法布置勘察点时,应通过调查取得相关资料。
9.2.2 应查明场区水文地质资料及与降水有关的参数,并应包括下列内容:
1 地下水的类型、地下水位高程及变化幅度;
2 各含水层的水力联系、补给、径流条件及土层的渗透系数;
3 分析流砂、管涌产生的可能性;
4 提出施工降水或隔水措施以及评估地下水位变化对场区环境造成的影响。
9.2.3 当场地水文地质条件复杂,应进行现场抽水试验,并进行水文地质勘察。
9.2.4 严寒地区的大型越冬基坑应评价各土层的冻胀性,并应对特殊土受开挖、振动影响以及失水、浸水影响引起的土的特性参数变化进行评估。
9.2.5 岩体基坑工程勘察除查明基坑周围的岩层分布、风化程度、岩石破碎情况和各岩层物理力学性质外,还应查明岩体主要结构面的类型、产状、延展情况、闭合程度、填充情况、力学性质等,特别是外倾结构面的抗剪强度以及地下水情况,并评估岩体滑动、岩块崩塌的可能性。
9.2.6 需对基坑工程周边进行环境调查时,调查的范围和内容应符合下列规定:
1 应调查基坑周边2倍开挖深度范围内建(构)筑物及设施的状况,当附近有轨道交通设施、隧道、防汛墙等重要建(构)筑物及设施时,或降水深度较大时应扩大调查范围。
2 环境调查应包括下列内容:
1)建(构)筑物的结构形式、材料强度、基础形式与埋深、沉降与倾斜及保护要求等;
2)地下交通工程、管线设施等的平面位置、埋深、结构形式、材料强度、断面尺寸、运营情况及保护要求等。
9.1 一般规定
9.1.1 岩、土质场地建(构)筑物的基坑开挖与支护,包括桩式和墙式支护、岩层或土层锚杆以及采用逆作法施工的基坑工程应符合本章的规定。
9.1.2 基坑支护设计应确保岩土开挖、地下结构施工的安全,并应确保周围环境不受损害。
9.1.3 基坑工程设计应包括下列内容:
1 支护结构体系的方案和技术经济比较;
2 基坑支护体系的稳定性验算;
3 支护结构的承载力、稳定和变形计算;
4 地下水控制设计;
5 对周边环境影响的控制设计;
6 基坑土方开挖方案;
7 基坑工程的监测要求。
9.1.4 基坑工程设计安全等级、结构设计使用年限、结构重要性系数,应根据基坑工程的设计、施工及使用条件按有关规范的规定采用。
9.1.5 基坑支护结构设计应符合下列规定:
1 所有支护结构设计均应满足强度和变形计算以及土体稳定性验算的要求;
2 设计等级为甲级、乙级的基坑工程。应进行因土方开挖、降水引起的基坑内外土体的变形计算;
3 高地下水位地区设计等级为甲级的基坑工程,应按本规范第9.9节的规定进行地下水控制的专项设计。
9.1.6 基坑工程设计采用的土的强度指标,应符合下列规定:
1 对淤泥及淤泥质土,应采用三轴不固结不排水抗剪强度指标;
2 对正常固结的饱和黏性土应采用在土的有效自重应力下预固结的三轴不固结不排水抗剪强度指标;当施工挖土速度较慢,排水条件好,土体有条件固结时,可采用三轴固结不排水抗剪强度指标;
3 对砂类土,采用有效应力强度指标;
4 验算软黏土隆起稳定性时,可采用十字板剪切强度或三轴不固结不排水抗剪强度指标;
5 灵敏度较高的土,基坑邻近有交通频繁的主干道或其他对土的扰动源时,计算采用土的强度指标宜适当进行折减;
6 应考虑打桩、地基处理的挤土效应等施工扰动原因造成对土强度指标降低的不利影响。
9.1.7 因支护结构变形、岩土开挖及地下水条件变化引起的基坑内外土体变形应符合下列规定:
1 不得影响地下结构尺寸、形状和正常施工;
2 不得影响既有桩基的正常使用;
3 对周围已有建、构筑物引起的地基变形不得超过地基变形允许值;
4 不得影响周边地下建(构)筑物、地下轨道交通设施及管线的正常使用。
9.1.8 基坑工程设计应具备以下资料:
1 岩土工程勘察报告;
2 建筑物总平面图、用地红线图;
3 建筑物地下结构设计资料,以及桩基础或地基处理设计资料;
4 基坑环境调查报告,包括基坑周边建(构)筑物、地下管线、地下设施及地下交通工程等的相关资料。
9.1.9 基坑土方开挖应严格按设计要求进行,不得超挖。基坑周边堆载不得超过设计规定。土方开挖完成后应立即施工垫层,对基坑进行封闭,防止水浸和暴露,并应及时进行地下结构施工。
8.6 岩石锚杆基础
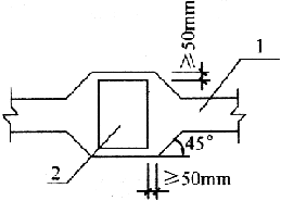
8.6.1 岩石锚杆基础适用于直接建在基岩上的柱基,以及承受拉力或水平力较大的建筑物基础。锚杆基础应与基岩连成整体,并应符合下列要求:
1 锚杆孔直径,宜取锚杆筋体直径的3倍,但不应小于一倍锚杆筋体直径加50mm。锚杆基础的构造要求,可按图8.6.1采用。
2 锚杆筋体插入上部结构的长度,应符合钢筋的锚固长度要求。
3 锚杆筋体宜采用热轧带肋钢筋,水泥砂浆强度不宜低于30MPa,细石混凝土强度不宜低于C30。灌浆前,应将锚杆孔清理干净。

图8.6.1 锚杆基础
d1—锚杆直径;l—锚杆的有效锚固长度;d—锚杆筋体直径
8.6.2 锚杆基础中单根锚杆所承受的拔力,应按下列公式验算:

式中:Fk———相应于作用的标准组合时,作用在基础顶面上的竖向力(kN);
Gk——基础自重及其上的土自重(kN);
Mxk、Myk——按作用的标准组合计算作用在基础底面形心的力矩值(kN·m);
xi、yi——第i根锚杆至基础底面形心的y、x轴线的距离(m);
Nti——相应于作用的标准组合时,第i根锚杆所承受的拔力值(kN);
Rt——单根锚杆抗拔承载力特征值(kN)。
8.6.3 对设计等级为甲级的建筑物,单根锚杆抗拔承载力特征值Rt应通过现场试验确定;对于其他建筑物应符合下式规定:
Rt≤0.8πd1lƒ (8.6.3)
式中:ƒ——砂浆与岩石间的粘结强度特征值(kPa),可按本规范表6.8.6选用。
8.5 桩基础
8.5.1 本节包括混凝土预制桩和混凝土灌注桩低桩承台基础。竖向受压桩按桩身竖向受力情况可分为摩擦型桩和端承型桩。摩擦型桩的桩顶竖向荷载主要由桩侧阻力承受;端承型桩的桩顶竖向荷载主要由桩端阻力承受。
8.5.2 桩基设计应符合下列规定:
1 所有桩基均应进行承载力和桩身强度计算。对预制桩,尚应进行运输、吊装和锤击等过程中的强度和抗裂验算。
2 桩基础沉降验算应符合本规范第8.5.15条的规定。
3 桩基础的抗震承载力验算应符合现行国家标准《建筑抗震设计规范》GB 50011的有关规定。
4 桩基宜选用中、低压缩性土层作桩端持力层。
5 同一结构单元内的桩基,不宜选用压缩性差异较大的土层作桩端持力层,不宜采用部分摩擦桩和部分端承桩。
6 由于欠固结软土、湿陷性土和场地填土的固结,场地大面积堆载、降低地下水位等原因,引起桩周土的沉降大于桩的沉降时,应考虑桩侧负摩擦力对桩基承载力和沉降的影响。
7 对位于坡地、岸边的桩基,应进行桩基的整体稳定验算。桩基应与边坡工程统一规划,同步设计。
8 岩溶地区的桩基,当岩溶上覆土层的稳定性有保证,且桩端持力层承载力及厚度满足要求,可利用上履土层作为桩端持力层。当必须采用嵌岩桩时,应对岩溶进行施工勘察。
9 应考虑桩基施工中挤土效应对桩基及周边环境的影响;在深厚饱和软土中不宜采用大片密集有挤土效应的桩基。
10 应考虑深基坑开挖中,坑底土回弹隆起对桩身受力及桩承载力的影响。
11 桩基设计时,应结合地区经验考虑桩、土、承台的共同工作。
12 在承台及地下室周围的回填中,应满足填土密实度要求。
8.5.3 桩和桩基的构造,应符合下列规定:
1 摩擦型桩的中心距不宜小于桩身直径的3倍;扩底灌注桩的中心距不宜小于扩底直径的1.5倍,当扩底直径大于2m时,桩端净距不宜小于1m。在确定桩距时尚应考虑施工工艺中挤土等效应对邻近桩的影响。
2 扩底灌注桩的扩底直径,不应大于桩身直径的3倍。
3 桩底进入持力层的深度,宜为桩身直径的1倍~3倍。在确定桩底进入持力层深度时,尚应考虑特殊土、岩溶以及震陷液化等影响。嵌岩灌注桩周边嵌入完整和较完整的未风化、微风化、中风化硬质岩体的最小深度,不宜小于0.5m。
4 布置桩位时宜使桩基承载力合力点与竖向永久荷载合力作用点重合。
5 设计使用年限不少于50年时,非腐蚀环境中预制桩的混凝土强度等级不应低于C30,预应力桩不应低于C40,灌注桩的混凝土强度等级不应低于C25;二b类环境及三类及四类、五类微腐蚀环境中不应低于C30;在腐蚀环境中的桩,桩身混凝土的强度等级应符合现行国家标准《混凝土结构设计规范》GB 50010的有关规定。设计使用年限不少于100年的桩,桩身混凝土的强度等级宜适当提高。水下灌注混凝土的桩身混凝土强度等级不宜高于C40。
6 桩身混凝土的材料、最小水泥用量、水灰比、抗渗等级等应符合现行国家标准《混凝土结构设计规范》GB 50010、《工业建筑防腐蚀设计规范》GB 50046及《混凝土结构耐久性设计规范》GB/T 50476的有关规定。
7 桩的主筋配置应经计算确定。预制桩的最小配筋率不宜小于0.8%(锤击沉桩)、0.6%(静压沉桩),预应力桩不宜小于0.5%;灌注桩最小配筋率不宜小于0.2%~0.65%(小直径桩取大值)。桩顶以下3倍~5倍桩身直径范围内,箍筋宜适当加强加密。
8 桩身纵向钢筋配筋长度应符合下列规定:
1)受水平荷载和弯矩较大的桩,配筋长度应通过计算确定;
2)桩基承台下存在淤泥、淤泥质土或液化土层时,配筋长度应穿过淤泥、淤泥质土层或液化土层;
3)坡地岸边的桩、8度及8度以上地震区的桩、抗拔桩、嵌岩端承桩应通长配筋;
4)钻孔灌注桩构造钢筋的长度不宜小于桩长的2/3;桩施工在基坑开挖前完成时,其钢筋长度不宜小于基坑深度的1.5倍。
9 桩身配筋可根据计算结果及施工工艺要求,可沿桩身纵向不均匀配筋。腐蚀环境中的灌注桩主筋直径不宜小于16mm,非腐蚀性环境中灌注桩主筋直径不应小于12mm。
10 桩顶嵌入承台内的长度不应小于50mm。主筋伸入承台内的锚固长度不应小于钢筋直径(HPB235)的30倍和钢筋直径(HRB335和HRB400)的35倍。对于大直径灌注桩,当采用一柱一桩时,可设置承台或将桩和柱直接连接。桩和柱的连接可按本规范第8.2.5条高杯口基础的要求选择截面尺寸和配筋,柱纵筋插入桩身的长度应满足锚固长度的要求。
11 灌注桩主筋混凝土保护层厚度不应小于50mm;预制桩不应小于45mm,预应力管桩不应小于35mm;腐蚀环境中的灌注桩不应小于55mm。
8.5.4 群桩中单桩桩顶竖向力应按下列公式进行计算:
1 轴心竖向力作用下:
Qk=(Fk+Gk)/n (8.5.4-1)
式中:Fk——相应于作用的标准组合时,作用于桩基承台顶面的竖向力(kN);
Gk——桩基承台自重及承台上土自重标准值(kN);
Qk——相应于作用的标准组合时,轴心竖向力作用下任一单桩的竖向力(kN);
n——桩基中的桩数。
2 偏心竖向力作用下:

(8.5.4-2)
式中:Qik——相应于作用的标准组合时,偏心竖向力作用下第i根桩的竖向力(kN);
Mxk、Myk——相应于作用的标准组合时,作用于承台底面通过桩群形心的x、y轴的力矩(kN·m);
xi、yi——第i根桩至桩群形心的y、x轴线的距离(m)。
3 水平力作用下:
Hk
Hik=—— (8.5.4-3)
n
式中:Hk——相应于作用的标准组合时,作用于承台底面的水平力(kN);
Hik——相应于作用的标准组合时,作用于任一单桩的水平力(kN)。
8.5.5 单桩承载力计算应符合下列规定:
1 轴心竖向力作用下:
Qk≤Ra (8.5.5-1)
式中:Ra——单桩竖向承载力特征值(kN)。
2 偏心竖向力作用下,除满足公式(8.5.5-1)外,尚应满足下列要求:
Qikmax≤1.2Ra(8.5.5-2)
3 水平荷载作用下:
Hik≤RHa (8.5.5-3)
式中:RHa——单桩水平承载力特征值(kN)。
8.5.6 单桩竖向承载力特征值的确定应符合下列规定:
1 单桩竖向承载力特征值应通过单桩竖向静载荷试验确定。 在同一条件下的试桩数量,不宜少于总桩数的1%且不应少于3根。单桩的静载荷试验,应按本规范附录Q进行。
2 当桩端持力层为密实砂卵石或其他承载力类似的土层时,对单桩竖向承载力很高的大直径端承型桩,可采用深层平板载荷试验确定桩端土的承载力特征值,试验方法应符合本规范附录D的规定。
3 地基基础设计等级为丙级的建筑物,可采用静力触探及标贯试验参数结合工程经验确定单桩竖向承载力特征值。
4 初步设计时单桩竖向承载力特征值可按下式进行估算:
Ra=qpaAp+upΣqsiali (8.5.6-1)
式中:Ap——桩底端横截面面积(m2);
qpa,qsia——桩端阻力特征值、桩侧阻力特征值(kPa),由当地静载荷试验结果统计分析算得;
up——桩身周边长度(m);
li——第i层岩土的厚度(m)。
5 桩端嵌入完整及较完整的硬质岩中,当桩长较短且入岩较浅时,可按下式估算单桩竖向承载力特征值:
Ra=qpaAp (8.5.6-2)
式中:qpa——桩端岩石承载力特征值(kN)。
6 嵌岩灌注桩桩端以下3倍桩径且不小于5m范围内应无软弱夹层、断裂破碎带和洞穴分布,且在桩底应力扩散范围内应无岩体临空面。当桩端无沉渣时,桩端岩石承载力特征值应根据岩石饱和单轴抗压强度标准值按本规范第5.2.6条确定,或按本规范附录H用岩石地基载荷试验确定。
8.5.7 当作用于桩基上的外力主要为水平力或高层建筑承台下为软弱土层、液化土层时,应根据使用要求对桩顶变位的限制,对桩基的水平承载力进行验算。当外力作用面的桩距较大时,桩基的水平承载力可视为各单桩的水平承载力的总和。当承台侧面的土未经扰动或回填密实时,可计算土抗力的作用。当水平推力较大时,宜设置斜桩。
8.5.8 单桩水平承载力特征值应通过现场水平载荷试验确定。必要时可进行带承台桩的载荷试验。单桩水平载荷试验,应按本规范附录S进行。
8.5.9 当桩基承受拔力时,应对桩基进行抗拔验算。单桩抗拔承载力特征值应通过单桩竖向抗拔载荷试验确定,并应加载至破坏。单桩竖向抗拔载荷试验,应按本规范附录T进行。
8.5.10 桩身混凝土强度应满足桩的承载力设计要求。
8.5.11 按桩身混凝土强度计算桩的承载力时,应按桩的类型和成桩工艺的不同将混凝土的轴心抗压强度设计值乘以工作条件系数φc,桩轴心受压时桩身强度应符合式(8.5.11)的规定。当桩顶以下5倍桩身直径范围内螺旋式箍筋间距不大于100mm且钢筋耐久性得到保证的灌注桩,可适当计入桩身纵向钢筋的抗压作用。
Q≤Apƒcφc (8.5.11)
式中:ƒc——混凝土轴心抗压强度设计值(kPa),按现行国家标准《混凝土结构设计规范》GB 50010取值;
Q——相应于作用的基本组合时的单桩竖向力设计值(kN);
Ap——桩身横截面积(m2);
φc——工作条件系数,非预应力预制桩取0.75,预应力桩取0.55~0.65,灌注桩取0.6~0.8(水下灌注桩、长桩或混凝土强度等级高于C35时用低值)。
8.5.12 非腐蚀环境中的抗拔桩应根据环境类别控制裂缝宽度满足设计要求,预应力混凝土管桩应按桩身裂缝控制等级为二级的要求进行桩身混凝土抗裂验算。腐蚀环境中的抗拔桩和受水平力或弯矩较大的桩应进行桩身混凝土抗裂验算,裂缝控制等级应为二级;预应力混凝土管桩裂缝控制等级应为一级。
8.5.13 桩基沉降计算应符合下列规定:
1 对以下建筑物的桩基应进行沉降验算;
1)地基基础设计等级为甲级的建筑物桩基;
2)体形复杂、荷载不均匀或桩端以下存在软弱土层的设计等级为乙级的建筑物桩基;
3)摩擦型桩基。
2 桩基沉降不得超过建筑物的沉降允许值,并应符合本规范表5.3.4的规定。
8.5.14 嵌岩桩、设计等级为丙级的建筑物桩基、对沉降无特殊要求的条形基础下不超过两排桩的桩基、吊车工作级别A5及A5以下的单层工业厂房且桩端下为密实土层的桩基,可不进行沉降验算。当有可靠地区经验时,对地质条件不复杂、荷载均匀、对沉降无特殊要求的端承型桩基也可不进行沉降验算。
8.5.15 计算桩基沉降时,最终沉降量宜按单向压缩分层总和法计算。地基内的应力分布宜采用各向同性均质线性变形体理论,按实体深基础方法或明德林应力公式方法进行计算,计算按本规范附录R进行。
8.5.16 以控制沉降为目的设置桩基时,应结合地区经验,并满足下列要求:
1 桩身强度应按桩顶荷载设计值验算;
2 桩、土荷载分配应按上部结构与地基共同作用分析确定;
3 桩端进入较好的土层,桩端平面处土层应满足下卧层承载力设计要求;
4 桩距可采用4倍~6倍桩身直径。
8.5.17 桩基承台的构造,除满足受冲切、受剪切、受弯承载力和上部结构的要求外,尚应符合下列要求:
1 承台的宽度不应小于500mm。边桩中心至承台边缘的距离不宜小于桩的直径或边长,且桩的外边缘至承台边缘的距离不小于150mm。对于条形承台梁,桩的外边缘至承台梁边缘的距离不小于75mm。
2 承台的最小厚度不应小于300mm。
3 承台的配筋,对于矩形承台,其钢筋应按双向均匀通长布置(图8.5.17a),钢筋直径不宜小于10mm,间距不宜大于200mm;对于三桩承台,钢筋应按三向板带均匀布置,且最里面的三根钢筋围成的三角形应在柱截面范围内(图8.5.17b)。
承台梁的主筋除满足计算要求外,尚应符合现行国家标准《混凝土结构设计规范》GB 50010关于最小配筋率的规定,主筋直径不宜小于12mm,架立筋不宜小于10mm,箍筋直径不宜小于6mm(图8.5.17c);柱下独立桩基承台的最小配筋率不应小于0.15%。钢筋锚固长度自边桩内侧(当为圆桩时,应将其直径乘以0.886等效为方桩)算起,锚固长度不应小于35倍钢筋直径,当不满足时应将钢筋向上弯折,此时钢筋水平段的长度不应小于25倍钢筋直径,弯折段的长度不应小于10倍钢筋直径。
4 承台混凝土强度等级不应低于C20;纵向钢筋的混凝土保护层厚度不应小于70mm,当有混凝土垫层时,不应小于50mm;且不应小于桩头嵌入承台内的长度。

图8.5.17 承台配筋
1—墙;2—箍筋直径≥6mm;3—桩顶入承台≥50mm;4—承台梁内主筋除须按计算配筋外尚应满足最小配筋率;5—垫层100mm厚C10混凝土
8.5.18 柱下桩基承台的弯矩可按以下简化计算方法确定:
1 多桩矩形承台计算截面取在柱边和承台高度变化处(杯口外侧或台阶边缘,图8.5.18a):
Mx=ΣNiyi (8.5.18-1)
My=ΣNixi (8.5.18-2)
式中:Mx、My——分别为垂直y轴和x轴方向计算截面处的弯矩设计值(kN·m);
xi、yi——垂直y轴和x轴方向自桩轴线到相应计算截面的距离(m);
Ni——扣除承台和其上填土自重后相应于作用的基本组合时的第i桩竖向力设计值(kN)。
2 三桩承台
1)等边三桩承台(图8.5.18b)。

(8.5.18-3)
式中:M——由承台形心至承台边缘距离范围内板带的弯矩设计值(kN·m);
Nmax——扣除承台和其上填土自重后的三桩中相应于作用的基本组合时的最大单桩竖向力设计值(kN);
s——桩距(m);
c——方柱边长(m),圆柱时c=0.886d(d为圆柱直径)。
2)等腰三桩承台(图8.5.18c)。

图8.5.18 承台弯矩计算

式中:M1、M2——分别为由承台形心到承台两腰和底边的距离范围内板带的弯矩设计值(kN·m);
s——长向桩距(m);
α——短向桩距与长向桩距之比,当α小于0.5时,应按变截面的二桩承台设计;
c1、c2——分别为垂直于、平行于承台底边的柱截面边长(m)。
8.5.19 柱下桩基础独立承台受冲切承载力的计算,应符合下列规定:
1 柱对承台的冲切,可按下列公式计算(图8.5.19-1):
Fl≤2[αox(bc+aoy)+αoy(hc+aox)]βhpƒth0 (8.5.19-1)
Fl=F-ΣNi (8.5.19-2)
αox=0.84/(λox+0.2) (8.5.19-3)
αoy=0.84/(λoy+0.2) (8.5.19-4)
式中:Fl——扣除承台及其上填土自重,作用在冲切破坏锥体上相应于作用的基本组合时的冲切力设计值(kN),冲切破坏锥体应采用自柱边或承台变阶处至相应桩顶边缘连线构成的锥体,锥体与承台底面的夹角不小于45°(图8.5.19-1);
h0———冲切破坏锥体的有效高度(m);
βhp——受冲切承载力截面高度影响系数,其值按本规范第8.2.8条的规定取用;
αox、αoy——冲切系数;
λox、λoy——冲跨比,λox=aox/h0、λoy=aoy/h0,aox、aoy为柱边或变阶处至桩边的水平距离;当aox(aoy)<0.25h0时,aox(aoy)=0.25h0;当aox(aoy)>h0时,aox(aoy)=h0;
F——柱根部轴力设计值(kN);
∑Ni——冲切破坏锥体范围内各桩的净反力设计值之和(kN)。
对中低压缩性土上的承台,当承台与地基土之间没有脱空现象时,可根据地区经验适当减小柱下桩基础独立承台受冲切计算的承台厚度。

图8.5.19-1 柱对承台冲切
2 角桩对承台的冲切,可按下列公式计算:
1)多桩矩形承台受角桩冲切的承载力应按下列公式计算(图8.5.19-2):
Nl≤{α1x[c2+(a1y/2)]+α1y[c1+(a1x/2)]}βhpƒth0 (8.5.19-6)
α1x=0.56/(λ1x+0.2) (8.5.19-6)
α1y=0.56/(λ1y+0.2) (8.5.19-7)
式中:Nl——扣除承台和其上填土自重后的角桩桩顶相应于作用的基本组合时的竖向力设计值(kN);
α1x、α1y——角桩冲切系数;
λ1x、λ1y——角桩冲跨比,其值满足0.25~1.0,λ1x=a1x/h0,λ1y=a1y/h0;
c1、c2——从角桩内边缘至承台外边缘的距离(m);
a1x、a1y——从承台底角桩内边缘引45°冲切线与承台顶面或承台变阶处相交点至角桩内边缘的水平距离(m);
h0——承台外边缘的有效高度(m)。

图8.5.19-2 矩形承台角桩冲切验算
2)三桩三角形承台受角桩冲切的承载力可按下列公式计算(图8.5.19-3)。对圆柱及圆桩,计算时可将圆形截面换算成正方形截面。

图8.5.19-3 三角形承台角桩冲切验算

式中:λ11、λ12——角桩冲跨比,其值满足0.25~1.0,λ11=a11/h0,λ12=a12/h0;
a11、a12——从承台底角桩内边缘向相邻承台边引45°冲切线与承台顶面相交点至角桩内边缘的水平距离(m);当柱位于该45°线以内时则取柱边与桩内边缘连线为冲切锥体的锥线。
8.5.20 柱下桩基础独立承台应分别对柱边和桩边、变阶处和桩边连线形成的斜截面进行受剪计算。当柱边外有多排桩形成多个剪切斜截面时,尚应对每个斜截面进行验算。
8.5.21 柱下桩基独立承台斜截面受剪承载力可按下列公式进行计算(图8.5.21):

式中:V——扣除承台及其上填土自重后相应于作用的基本组合时的斜截面的最大剪力设计值(kN);
b0——承台计算截面处的计算宽度(m);阶梯形承台变阶处的计算宽度、锥形承台的计算宽度应按本规范附录U确定;
h0——计算宽度处的承台有效高度(m);
β——剪切系数;
βhs——受剪切承载力截面高度影响系数,按公式(8.2.9-2)计算;
λ——计算截面的剪跨比,λx=ax/h0,λy=ay/h0;ax、ay为柱边或承台变阶处至x、y方向计算一排桩的桩边的水平距离,当λ<0.25时,取λ=0.25;当λ>3时,取λ=3。

图8.5.21 承台斜截面受剪计算
8.5.22 当承台的混凝土强度等级低于柱或桩的混凝土强度等级时,尚应验算柱下或桩上承台的局部受压承载力。
8.5.23 承台之间的连接应符合下列要求:
1 单桩承台,应在两个互相垂直的方向上设置连系梁。
2 两桩承台,应在其短向设置连系梁。
3 有抗震要求的柱下独立承台,宜在两个主轴方向设置连系梁。
4 连系梁顶面宜与承台位于同一标高。连系梁的宽度不应小于250mm,梁的高度可取承台中心距的1/10~1/15,且不小于400mm。
5 连系梁的主筋应按计算要求确定。连系梁内上下纵向钢筋直径不应小于12mm且不应少于2根,并应按受拉要求锚入承台。
8.4 高层建筑筏形基础
8.4.1 筏形基础分为梁板式和平板式两种类型,其选型应根据地基土质、上部结构体系、柱距、荷载大小、使用要求以及施工条件等因素确定。框架-核心筒结构和筒中筒结构宜采用平板式筏形基础。
8.4.2 筏形基础的平面尺寸,应根据工程地质条件、上部结构的布置、地下结构底层平面以及荷载分布等因素按本规范第5章有关规定确定。对单幢建筑物,在地基土比较均匀的条件下,基底平面形心宜与结构竖向永久荷载重心重合。当不能重合时,在作用的准永久组合下,偏心距e宜符合下式规定:
e≤0.1W/A (8.4. 2)
式中:W——与偏心距方向一致的基础底面边缘抵抗矩(m3);
A——基础底面积(m2)。
8.4.3 对四周与土层紧密接触带地下室外墙的整体式筏基和箱基,当地基持力层为非密实的土和岩石。场地类别为Ⅲ类和Ⅳ类,抗震设防烈度为8度和9度,结构基本自振周期处于特征周期的1.2倍~5倍范围时,按刚性地基假定计算的基底水平地震剪力、倾覆力矩可按设防烈度分别乘以0.90和0.85的折减系数。
8.4.4 筏形基础的混凝土强度等级不应低于C30,当有地下室时应采用防水混凝土。防水混凝土的抗渗等级应按表8.4.4选用。对重要建筑,宜采用自防水并设置架空排水层。
表8.4.4 防水混凝土抗渗等级
| 埋置深度d(m) | 设计抗渗等级 | 埋置深度d(m) | 设计抗渗等级 |
| d<10 | P6 | 20≤d<30 | P10 |
| 10≤d<20 | P8 | 30≤d | P12 |
8.4.5 采用筏形基础的地下室,钢筋混凝土外墙厚度不应小于250mm,内墙厚度不宜小于200mm。墙的截面设计除满足承载力要求外,尚应考虑变形、抗裂及外墙防渗等要求。墙体内应设置双面钢筋,钢筋不宜采用光面圆钢筋,水平钢筋的直径不应小于12mm,竖向钢筋的直径不应小于10mm,间距不应大于200mm。
8.4.6 平板式筏基的板厚应满足受冲切承载力的要求。
8.4.7 平板式筏基柱下冲切验算应符合下列规定:
1 平板式筏基柱下冲切验算时应考虑作用在冲切临界截面重心上的不平衡弯矩产生的附加剪力。对基础边柱和角柱冲切验算时,其冲切力应分别乘以1.1和1.2的增大系数。距柱边h0/2处冲切临界截面的最大剪应力τmax应按式(8.4. 7-1)、式(8.4. 7-2)进行计算(图8.4.7)。板的最小厚度不应小于500mm。


τmax=(Fl/umh0)+αs(MunbcAB/Is) (8.4. 7-1)
τmax≤0.7(0.4+1.2/βs)βhpƒt (8.4.7-2)
图8.4.7内柱冲切临界截面示意
1—筏板;2—柱
(8.4.7-3)
式中:Fl——相应于作用的基本组合时的冲切力(kN),对内柱取轴力设计值减去筏板冲切破坏锥体内的基底净反力设计值;对边柱和角柱,取轴力设计值减去筏板冲切临界截面范围内的基底净反力设计值;
um——距柱边缘不小于h0/2处冲切临界截面的最小周长(m),按本规范附录P计算;
h0——筏板的有效高度(m);
Munb——作用在冲切临界截面重心上的不平衡弯矩设计值(kN·m);
cAB——沿弯矩作用方向,冲切临界截面重心至冲切临界截面最大剪应力点的距离(m),按附录P计算;
Is——冲切临界截面对其重心的极惯性矩(m4),按本规范附录P计算;
βs——柱截面长边与短边的比值,当βs<2时,βs取2,当βs>4时,βs取4
βhp——受冲切承载力截面高度影响系数,当h≤800mm时,取βhp=1.0;当h≥2000mm时,取βhp =0.9,其间按线性内插法取值;
ƒt——混凝土轴心抗拉强度设计值(kPa);
c1——与弯矩作用方向一致的冲切临界截面的边长(m),按本规范附录P计算;
c2——垂直于c1的冲切临界截面的边长(m),按本规范附录P计算;
αs——不平衡弯矩通过冲切临界截面上的偏心剪力来传递的分配系数。
2 当柱荷载较大,等厚度筏板的受冲切承载力不能满足要求时,可在筏板上面增设柱墩或在筏板下局部增加板厚或采用抗冲切钢筋等措施满足受冲切承载能力要求。
8.4. 8 平板式筏基内筒下的板厚应满足受冲切承载力的要求,并应符合下列规定:
1 受冲切承载力应按下式进行计算:
Fl/umh0 ≤0.7βhpƒt/η(8.4.8)
式中:Fl——相应于作用的基本组合时,内筒所承受的轴力设计值减去内筒下筏板冲切破坏锥体内的基底净反力设计值(kN);
um——距内筒外表面h0/2处冲切临界截面的周长(m)(图8.4.8);
hO——距内筒外表面h0/2处筏板的截面有效高度(m);
η——内筒冲切临界截面周长影响系数,取1.25。
2 当需要考虑内筒根部弯矩的影响时,距内筒外表面h0/2处冲切临界截面的最大剪应力可按公式(8.4.7-1)计算,此时τmax≤0.7βhpƒt/η。

图8. 4.8 筏板受内筒冲切的临界截面位置
8.4.9 平板式筏基应验算距内筒和柱边缘h0处截面的受剪承载力,当筏板变厚度时,尚应验算变厚度处筏板的受剪承载力。
8.4.10 平板式筏基受剪承载力应按式(8.4.10)验算,当筏板的厚度大于2000mm时,宜在板厚中间部位设置直径不小于12mm、间距不大于300mm的双向钢筋网。
Vs≤0.7βhsƒtbwh0 (8.4.10)
式中:Vs——相应于作用的基本组合时,基底净反力平均值产生的距内筒或柱边缘h0处筏板单位宽度的剪力设计值(kN);
bw——筏板计算截面单位宽度(m);
h0——距内筒或柱边缘h0处筏板的截面有效高度(m)。
8.4.11 梁板式筏基底板应计算正截面受弯承载力,其厚度尚应满足受冲切承载力、受剪切承载力的要求。
8.4.12 梁板式筏基底板受冲切、受剪切承载力计算应符合下列规定:
1 梁板式筏基底板受冲切承载力应按下式进行计算:
Fl≤0.7βhpƒtumh0 (8.4.12-1)
式中:Fl——作用的基本组合时,图8.4.12-1中阴影部分面积上的基底平均净反力设计值(kN);
um——距基础梁边h0/2处冲切临界截面的周长(m)(图8.4.12-1)。

图8.4.12-1 底板的冲切计算示意
1—冲切破坏锥体的斜截面;2—梁;3—底板
2 当底板区格为矩形双向板时,底板受冲切所需的厚度h0应按式(8.4.12-2)进行计算,其底板厚度与最大双向板格的短边净跨之比不应小于1/14,且板厚不应小于400mm。


(8.4.12-2)
图8.4.12-2 底板剪切计算示意
式中:lnl、ln2——计算板格的短边和长边的净长度(m);
pn——扣除底板及其上填土自重后,相应于作用的基本组合时的基底平均净反力设计值(kPa)。
3 梁板式筏基双向底板斜截面受剪承载力应按下式进行计算:
Vs≤0.7βhsƒt(ln2-2h0)h0 (8. 4.12-3)
式中:Vs——距梁边缘h0处,作用在图8.4.12-2中阴影部分面积上的基底平均净反力产生的剪力设计值(kN)
4 当底板板格为单向板时,其斜截面受剪承载力应按本规范第8.2.10条验算,其底板厚度不应小于400mm。
8.4.13 地下室底层柱、剪力墙与梁板式筏基的基础梁连接的构造应符合下列规定:
1 柱、墙的边缘至基础梁边缘的距离不应小于50mm(图8.4.13);
2 当交叉基础梁的宽度小于柱截面的边长时,交叉基础梁连接处应设置八字角,柱角与八字角之间的净距不宜小于50mm(图8.4.13a);
3 单向基础梁与柱的连接,可按图8.4.13b、c采用;
4 基础梁与剪力墙的连接,可按图8.4. 13d采用。

图8. 4. 13 地下室底层柱或剪力墙与梁板式筏基的基础梁连接的构造要求
1—基础梁;2—柱;3—墙
8.4. 14 当地基土比较均匀、地层压缩层范围内无软弱土层或可液化土层、 上部结构刚度较好,柱网和荷载较均匀、相邻柱荷载及柱间距的变化不超过20%,且梁板式筏基梁的高跨比或平板式筏基板的厚跨比不小于1/6时,筏形基础可仅考虑局部弯曲作用。筏形基础的内力,可按基底反力直线分布进行计算,计算时基底反力应扣除底板自重及其上填土的自重。当不满足上述要求时,筏基内力可按弹性地基梁板方法进行分析计算。
8. 4.15 按基底反力直线分布计算的粱板式筏基,其基础梁的内力可按连续梁分析,边跨跨中弯矩以及第一内支座的弯矩值宜乘以1.2的系数。梁板式筏基的底板和基础梁的配筋除满足计算要求外,纵横方向的底部钢筋尚应有不少于1/3贯通全跨,顶部钢筋按计算配筋全部连通,底板上下贯通钢筋的配筋率不应小于0.15%
8. 4.16 按基底反力直线分布计算的平板式筏基,可按柱下板带和跨中板带分别进行内力分析。柱下板带中,柱宽及其两侧各0.5倍板厚且不大于1/4板跨的有效宽度范围内,其钢筋配置量不应小于柱下板带钢筋数量的一半,且应能承受部分不平衡弯矩αmMunb。Munb为作用在冲切临界截面重心上的不平衡弯矩,αm应按式(8.4.16)进行计算。平板式筏基柱下板带和跨中板带的底部支座钢筋应有不少于1/3贯通全跨,顶部钢筋应按计算配筋全部连通,上下贯通钢筋的配筋率不应小于0.15%
αm=1-αs (8. 4. 16)
式中:αm——不平衡弯矩通过弯曲来传递的分配系数;
αs——按公式(8.4.7-3)计算。
8.4.17 对有抗震设防要求的结构,当地下一层结构顶板作为上部结构嵌固端时,嵌固端处的底层框架柱下端截面组合弯距设计值应按现行国家标准《建筑抗震设计规范》GB 50011的规定乘以与其抗震等级相对应的增大系数。当平板式筏形基础板作为上部结构的嵌固端、计算柱下板带截面组合弯矩设计值时,底层框架拄下端内力应考虑地震作用组合及相应的增大系数。
8.4.18 梁板式筏基基础梁和平板式筏基的顶面应满足底层柱下局部受压承载力的要求。对抗震设防烈度为9度的高层建筑,验算柱下基础梁、筏板局部受压承载力时,应计入竖向地震作用对柱轴力的影响。
8.4.19 筏板与地下室外墙的接缝、地下室外墙沿高度处的水平接缝应严格按施工缝要求施工,必要时可设通长止水带。
8.4.20 带裙房的高层建筑筏形基础应符合下列规定:
1 当高层建筑与相连的裙房之间设置沉降缝时,高层建筑的基础埋深应大于裙房基础的埋深至少2m。地面以下沉降缝的缝隙应用粗砂填实(图8. 4.20a)。

(图8. 4.20a) 高层建筑与裙房间的沉降缝、后浇带处理示意
1—高层建筑;2—裙房及地下室;3—室外地坪以下用粗砂填实;4一后浇带
2 当高层建筑与相连的裙房之间不设置沉降缝时,宜在裙房一侧设置用于控制沉降差的后浇带,当沉降实测值和计算确定的后期沉降差满足设计要求后,方可进行后浇带混凝土浇筑。当高层建筑基础面积满足地基承载力和变形要求时,后浇带宜设在与高层建筑相邻裙房的第一跨内。当需要满足高层建筑地基承载力、降低高层建筑沉降量、减小高层建筑与裙房间的沉降差而增大高层建筑基础面积时,后浇带可设在距主楼边柱的第二跨内,此时应满足以下条件:
1)地基土质较均匀;
2)裙房结构刚度较好且基础以上的地下室和裙房结构层数不少于两层;
3)后浇带一侧与主楼连接的裙房基础底板厚度与高层建筑的基础底板厚度相同(图8.4. 20b)。
3 当高层建筑与相连的裙房之间不设沉降缝和后浇带时,高层建筑及与其紧邻一跨裙房的筏板应采用相同厚度,裙房筏板的厚度宜从第二跨裙房开始逐渐变化,应同时满足主、裙楼基础整体性和基础板的变形要求;应进行地基变形和基础内力的验算,验算时应分析地基与结构间变形的相互影响,并采取有效措施防止产生有不利影响的差异沉降。
8.4.21 在同一大面积整体筏形基础上建有多幢高层和低层建筑时,筏板厚度和配筋宜按上部结构、基础与地基土共同作用的基础变形和基底反力计算确定。
8.4.22 带裙房的高层建筑下的整体筏形基础,其主楼下筏板的整体挠度值不宜大于0.05%,主楼与相邻的裙房柱的差异沉降不应大于其跨度的0.1%。
8.4.23 采用大面积整体筏形基础时,与主楼连接的外扩地下室其角隅处的楼板板角,除配置两个垂直方向的上部钢筋外,尚应布置斜向上部构造钢筋,钢筋直径不应小于10mm、间距不应大于200mm。该钢筋伸入板内的长度不宜小于1/4的短边跨度;与基础整体弯曲方向一致的垂直于外墙的楼板上部钢筋以及主裙楼交界处的楼板上部钢筋,钢筋直径不应小于10mm、间距不应大于200mm,且钢筋的面积不应小于现行国家标准《混凝土结构设计规范》GB 50010中受弯构件的最小配筋率,钢筋的锚固长度不应小于30d。
8.4.24 筏形基础地下室施工完毕后,应及时进行基坑回填工作。填土应按设计要求选料,回填时应先清除基坑中的杂物,在相对的两侧或四周同时回填并分层夯实,回填土的压实系数不应小于0.94。
8.4.25 采用筏形基础带地下室的高层和低层建筑、地下室四周外墙与土层紧密接触且土层为非松散填土、松散粉细砂土、软塑流塑黏性土,上部结构为框架、框剪或框架-核心筒结构,当地下一层结构顶板作为上部结构嵌固部位时,应符合下列规定:
1 地下一层的结构侧向刚度大于或等于与其相连的上部结构底层楼层侧向刚度的1.5倍。
2 地下一层结构顶板应采用梁板式楼盖,板厚不应小于180mm,其混凝土强度等级不宜小于C30;楼面应采用双层双向配筋,且每层每个方向的配筋率不宜小于0.25%。
3 地下室外墙和内墙边缘的板面不应有大洞口,以保证将上部结构的地震作用或水平力传递到地下室抗侧力构件中。
4 当地下室内、外墙与主体结构墙体之间的距离符合表8.4.25的要求时,该范围内的地下室内、外墙可计入地下一层的结构侧向刚度,但此范围内的侧向刚度不能重叠使用于相邻建筑。当不符合上述要求时,建筑物的嵌固部位可设在筏形基础的顶面,此时宜考虑基侧土和基底土对地下室的抗力。
表8.4.25 地下室墙与主体结构墙之间的最大间距d
| 抗震设防烈度7度、8度 | 抗震设防烈度9度 |
| d≤30m | d≤20m |
8.4.26 地下室的抗震等级、构件的截面设计以及抗震构造措施应符合现行国家标准《建筑抗震设计规范》GB 50011的有关规定。剪力墙底部加强部位的高度应从地下室顶板算起;当结构嵌固在基础顶面时,剪力墙底部加强部位的范围尚应延伸至基础顶面。
8.3 柱下条形基础
8.3.1 柱下条形基础的构造,除应符合本规范第8.2.1条的要求外,尚应符合下列规定:
1 柱下条形基础梁的高度宜为柱距的1/4~1/8。翼板厚度不应小于200mm。当翼板厚度大于250mm时,宜采用变厚度翼板,其顶面坡度宜小于或等于1:3。
2 条形基础的端部宜向外伸出,其长度宜为第一跨距的0.25倍。
3 现浇柱与条形基础梁的交接处,基础梁的平面尺寸应大于柱的平面尺寸,且柱的边缘至基础梁边缘的距离不得小于50mm(图8.3.1)。

图8.3. 1 现浇柱与条形基础梁交接处平面尺寸
1—基础梁;2—柱
4 条形基础梁顶部和底部的纵向受力钢筋除应满足计算要求外,顶部钢筋应按计算配筋全部贯通,底部通长钢筋不应少于底部受力钢筋截面总面积的1/3。
5 柱下条形基础的混凝土强度等级,不应低于C20。
8.3.2 柱下条形基础的计算,除应符合本规范第8.2.6条的要求外,尚应符合下列规定:
1 在比较均匀的地基上,上部结构刚度较好,荷载分布较均匀,且条形基础梁的高度不小于1/6柱距时,地基反力可按直线分布,条形基础梁的内力可按连续梁计算,此时边跨跨中弯矩及第一内支座的弯矩值宜乘以1.2的系数。
2 当不满足本条第1款的要求时,宜按弹性地基梁计算。
3 对交叉条形基础,交点上的柱荷载,可按静力平衡条件及变形协调条件,进行分配。其内力可按本条上述规定,分别进行计算。
4 应验算柱边缘处基础梁的受剪承载力。
5 当存在扭矩时,尚应作抗扭计算。
6 当条形基础的混凝土强度等级小于柱的混凝土强度等级时,应验算柱下条形基础梁顶面的局部受压承载力。
8.2 扩展基础
8.2.1 扩展基础的构造,应符合下列规定:
1 锥形基础的边缘高度不宜小于200mm,且两个方向的坡度不宜大于1:3;阶梯形基础的每阶高度,宜为300mm~500mm。
2 垫层的厚度不宜小于70mm,垫层混凝土强度等级不宜低于C10。
3 扩展基础受力钢筋最小配筋率不应小于0.15%,底板受力钢筋的最小直径不应小于10mm,间距不应大于200mm,也不应小于100mm。墙下钢筋混凝土条形基础纵向分布钢筋的直径不应小于8mm;间距不应大于300mm;每延米分布钢筋的面积不应小于受力钢筋面积的15%。当有垫层时钢筋保护层的厚度不应小于40mm;无垫层时不应小于70mm。
4 混凝土强度等级不应低于C20。
5 当柱下钢筋混凝土独立基础的边长和墙下钢筋混凝土条形基础的宽度大于或等于2.5m时,底板受力钢筋的长度可取边长或宽度的0.9倍,并宜交错布置(图8.2.1-1)。
6 钢筋混凝土条形基础底板在T形及十字形交接处,底板横向受力钢筋仅沿一个主要受力方向通长布置,另一方向的横向受力钢筋可布置到主要受力方向底板宽度1/4处(图8.2.1-2)。在拐角处底板横向受力钢筋应沿两个方向布置(图8.2.1-2)。

图8.2.1-1 柱下独立基础底板受力钢筋布置

图8.2.1-2 墙下条形基础纵横交叉处底板受力钢筋布置
8.2.2 钢筋混凝土柱和剪力墙纵向受力钢筋在基础内的锚固长度应符合下列规定:
1 钢筋混凝土柱和剪力墙纵向受力钢筋在基础内的锚固长度(la)应根据现行国家标准《混凝土结构设计规范》GB 50010有关规定确定;
2 抗震设防烈度为6度、7度、8度和9度地区的建筑工程,纵向受力钢筋的抗震锚固长度(laE)应按下式计算:
1)一、二级抗震等级纵向受力钢筋的抗震锚固长度(laE)应按下式计算:
laE=1.15la (8.2.2-1)
2)三级抗震等级纵向受力钢筋的抗震锚固长度(laE)应按下式计算:
laE=1.05la (8.2.2-2)
3)四级抗震等级纵向受力钢筋的抗震锚固长度(laE)应按下式计算:
laE=la (8.2.2-3)
式中:la——纵向受拉钢筋的锚固长度(m)。
3 当基础高度小于la(laE)时,纵向受力钢筋的锚固总长度除符合上述要求外,其最小直锚段的长度不应小于20d,弯折段的长度不应小于150mm。
8.2.3 现浇柱的基础,其插筋的数量、直径以及钢筋种类应与柱内纵向受力钢筋相同。插筋的锚固长度应满足本规范第8.2.2条的规定,插筋与柱的纵向受力钢筋的连接方法,应符合现行国家标准《混凝土结构设计规范》GB 50010的有关规定。插筋的下端宜做成直钩放在基础底板钢筋网上。当符合下列条件之一时,可仅将四角的插筋伸至底板钢筋网上,其余插筋锚固在基础顶面下la或laE处(图8.2.3)。
1 柱为轴心受压或小偏心受压,基础高度大于或等于1200mm;
2 柱为大偏心受压,基础高度大于或等于1400mm。

图8.2.3 现浇柱的基础中插筋构造示意
8.2.4 预制钢筋混凝土柱与杯口基础的连接(图8.2.4),应符合下列规定;

图8.2.4 预制钢筋混凝土柱与杯口基础的连接示意
注:a2≥a1;1—焊接网
1 柱的插入深度,可按表8.2.4-1选用,并应满足本规范第8.2.2条钢筋锚固长度的要求及吊装时柱的稳定性。
表8.2.4-1 柱的插入深度h1(mm)

注:1 h为柱截面长边尺寸;ha为双肢柱全截面长边尺寸;hb为双肢柱全截面短边尺寸;
2 柱轴心受压或小偏心受压时,h1可适当减小,偏心距大于2h时,h1应适当加大。
2 基础的杯底厚度和杯壁厚度,可按表8.2.4-2选用。
表8.2.4-2 基础的杯底厚度和杯壁厚度
| 柱截面长边尺寸h(mm) | 杯底厚度 a1(mm) | 杯壁厚度t(mm) |
| h<500 | ≥150 | 150~200 |
| 500≤h<800 | ≥200 | ≥200 |
| 800≤h<1000 | ≥200 | ≥300 |
| 1000≤h<1500 | ≥250 | ≥350 |
| 1500≤h<2000 | ≥300 | ≥400 |
注:1 双肢柱的杯底厚度值,可适当加大;
2 当有基础梁时,基础梁下的杯壁厚度,应满足其支承宽度的要求;
3 柱子插入杯口部分的表面应凿毛,柱子与杯口之间的空隙,应用比基础混凝土强度等级高一级的细石混凝土充填密实,当达到材料设计强度的70%以上时,方能进行上部吊装。
3 当柱为轴心受压或小偏心受压且t/h2≥0.65时,或大偏心受压且t/h2≥0.75时,杯壁可不配筋;当柱为轴心受压或小偏心受压且0.5≤t/h2<0.65时,杯壁可按表8.2.4-3构造配筋;其他情况下,应按计算配筋。
表8.2.4-3 杯壁构造配筋
| 柱截面长边尺寸(mm) | h<1000 | 1000≤h<1500 | 1500≤h≤2000 |
| 钢筋直径(mm) | 8~10 | 10~12 | 12~16 |
注:表中钢筋置于杯口顶部,每边两根(图8.2.4)。
8.2.5 预制钢筋混凝土柱(包括双肢柱)与高杯口基础的连接(图8.2.5-1),除应符合本规范第8.2.4条插入深度的规定外,尚应符合下列规定:

图8.2.5-1 高杯口基础
H—短柱高度
1 起重机起重量小于或等于750kN,轨顶标高小于或等于14m,基本风压小于0.5kPa的工业厂房,且基础短柱的高度不大于5m。
2 起重机起重量大于750kN,基本风压大于0.5kPa,应符合下式的规定:
E2J2/E1J1≥10 (8.2.5-1)
式中:E1——预制钢筋混凝土柱的弹性模量(kPa);
J1——预制钢筋混凝土柱对其截面短轴的惯性矩(m4);
E2——短柱的钢筋混凝土弹性模量(kPa);
J2——短柱对其截面短轴的惯性矩(m4)。
3 当基础短柱的高度大于5m,应符合下式的规定:
△2/△1≤1.1 (8.2.5-2)
式中:△1——单位水平力作用在以高杯口基础顶面为固定端的柱顶时,柱顶的水平位移(m):
△2——单位水平力作用在以短柱底面为固定端的柱顶时,柱顶的水平位移(m)。
4 杯壁厚度应符合表8.2.5的规定。高杯口基础短柱的纵向钢筋,除满足计算要求外,在非地震区及抗震设防烈度低于9度地区,且满足本条第1、2、3款的要求时,短柱四角纵向钢筋的直径不宜小于20mm,并延伸至基础底板的钢筋网上;短柱长边的纵向钢筋,当长边尺寸小于或等于1000mm时,其钢筋直径不应小于12mm,间距不应大于300mm;当长边尺寸大于1000mm时,其钢筋直径不应小于16mm,间距不应大于300mm,且每隔一米左右伸下一根并作150mm的直钩支承在基础底部的钢筋网上,其余钢筋锚固至基础底板顶面下la处(图8.2.5-2)。短柱短边每300mm应配置直径不小于12mm的纵向钢筋且每边的配筋率不少于0.05%短柱的截面面积。短柱中杯口壁内横向箍筋不应小于ф8@150;短柱中其他部位的箍筋直径不应小于8mm,间距不应大于300mm;当抗震设防烈度为8度和9度时,箍筋直径不应小于8mm,间距不应大于150mm。

图8.2.5-2 高杯口基础构造配筋
1—杯口壁内横向箍筋ф8@150;2—顶层焊接钢筋网;3—插入基础底部的纵向钢筋不应少于每米1根;4—短柱四角钢筋一般不小于 ф 20;5—短柱长边纵向钢筋当h3≤1000用ф12@300,当h3>1000用16@300;6—按构造要求;7—短柱短边纵向钢筋每边不小于0.05%b3h3(不小于ф12@300)
表8.2.5 高杯口基础的杯壁厚度t
| h(mm) | t(mm) |
| 600<h≤800 | ≥250 |
| 800<h≤1000 | ≥300 |
| 1000<h≤1400 | ≥350 |
| 1400<h≤1600 | ≥400 |
8.2.6 扩展基础的基础底面积。应按本规范第5章有关规定确定。在条形基础相交处,不应重复计入基础面积。
8.2.7 扩展基础的计算应符合下列规定:
1 对柱下独立基础,当冲切破坏锥体落在基础底面以内时,应验算柱与基础交接处以及基础变阶处的受冲切承载力;
2 对基础底面短边尺寸小于或等于柱宽加两倍基础有效高度的柱下独立基础,以及墙下条形基础,应验算柱(墙)与基础交接处的基础受剪切承载力;
3 基础底板的配筋,应按抗弯计算确定;
4 当基础的混凝土强度等级小于柱的混凝土强度等级时,尚应验算柱下基础顶面的局部受压承载力。
8.2.8 柱下独立基础的受冲切承载力应按下列公式验算:
Fl≤0.7βhpƒtamhO (8.2.8-1)
am=(at+ab)/2 (8.2.8-2)
Fl=pjAl (8.2.8-3)
式中:βhp——受冲切承载力截面高度影响系数,当h不大于800mm时,βhp取1.0;当h大于或等于2000mm时,βhp取0.9,其间按线性内插法取用;
ƒt——混凝土轴心抗拉强度设计值(kPa);
hO ——基础冲切破坏锥体的有效高度(m);
am——冲切破坏锥体最不利一侧计算长度(m);
at——冲切破坏锥体最不利一侧斜截面的上边长(m),当计算柱与基础交接处的受冲切承载力时,取柱宽;当计算基础变阶处的受冲切承载力时,取上阶宽;
ab——冲切破坏锥体最不利一侧斜截面在基础底面积范围内的下边长(m),当冲切破坏锥体的底面落在基础底面以内(图8.2.8a、b),计算柱与基础交接处的受冲切承载力时,取柱宽加两倍基础有效高度;当计算基础变阶处的受冲切承载力时,取上阶宽加两倍该处的基础有效高度;
pj——扣除基础自重及其上土重后相应于作用的基本组合时的地基土单位面积净反力(kPa),对偏心受压基础可取基础边缘处最大地基土单位面积净反力;
Al——冲切验算时取用的部分基底面积(m2)(图8.2.8a、b中的阴影面积ABCDEF);
Fl——相应于作用的基本组合时作用在Al上的地基土净反力设计值(kPa)。

图8.2.8 计算阶形基础的受冲切承载力截面位置
1—冲切破坏锥体最不利一侧的斜截面;
2—冲切破坏锥体的底面线
8. 2.9 当基础底面短边尺寸小于或等于柱宽加两倍基础有效高度时,应按下列公式验算柱与基础交接处截面受剪承载力:
Vs≤0.7βhsƒtAO (8.2.9-1)
βhs=(800/hO)1/4 (8.2.9-2)
式中:Vs——相应于作用的基本组合时,柱与基础交接处的剪力设计值(kN),图8.2.9中的阴影面积乘以基底平均净反力;
βhs——受剪切承载力截面高度影响系数,当h0<800mm时,取h0=800mm;当h0>2000mm时,取h0=2000mm;
A0——验算截面处基础的有效截面面积(m2)。当验算截面为阶形或锥形时,可将其截面折算成矩形截面,截面的折算宽度和截面的有效高度按本规范附录U计算。

(a)柱与基础交接处 (b)基础变阶处
图8.2.9 验算阶形基础受剪切承载力示意
8.2.10 墙下条形基础底板应按本规范公式(8. 2.9-1)验算墙与基础底板交接处截面受剪承载力,其中A0为验算截面处基础底板的单位长度垂直截面有效面积,Vs为墙与基础交接处由基底平均净反力产生的单位长度剪力设计值。
8.2.11 在轴心荷载或单向偏心荷载作用下,当台阶的宽高比小于或等于2.5且偏心距小于或等于1/6基础宽度时,柱下矩形独立基础任意截面的底板弯矩可按下列简化方法进行计算(图8.2.11):


(8.2.11-1)
(8.2.11-2)
式中:MⅠ、MⅡ——相应于作用的基本组合时,任意截面Ⅰ-Ⅰ、Ⅱ-Ⅱ处的弯矩设计值(kN·m);
a1——任意截面Ⅰ-Ⅰ至基底边缘最大反力处的距离(m);
l、b——基础底面的边长(m):
pmax、pmin——相应于作用的基本组合时的基础底面边缘最大和最小地基反力设计值(kPa);
p——相应于作用的基本组合时在任意截面Ⅰ-Ⅰ处基础底面地基反力设计值(kPa);
G——考虑作用分项系数的基础自重及其上的土自重(kN);当组合值由永久作用控制时,作用分项系数可取1.35。

图8. 2. 11 矩形基础底板的计算示意
8.2.12 基础底板配筋除满足计算和最小配筋率要求外,尚应符合本规范第8.2.1条第3款的构造要求。计算最小配筋率时,对阶形或锥形基础截面,可将其截面折算成矩形截面,截面的折算宽度和截面的有效高度,按附录U计算。基础底板钢筋可按式(8.2.12)计算。
As=M/0.9ƒyh0 (8.2.12)
8.2.13 当柱下独立柱基底面长短边之比ω在大于或等于2、小于或等于3的范围时,基础底板短向钢筋应按上述方法布置:将短向全部钢筋面积乘以λ 后求得的钢筋,均匀分布在与柱中心线重合的宽度等于基础短边的中间带宽范围内(图8.2.13),其余的短向钢筋则均匀分布在中间带宽的两侧。长向配筋应均匀分布在基础全宽范围内。λ 按下式计算:
λ=1-(ω/6) (8.2.13)
8.2.14 墙下条形基础(图8.2.14)的受弯计算和配筋应符合下列规定:


图8.2.13 基础底板短向钢筋布置示意
1—λ 倍短向全部钢筋面积均匀配置在阴影范围内
图8.2.14 墙下条形基础的计算示意
1一砖墙;2—混凝土墙
1 任意截面每延米宽度的弯矩,可按下式进行计算

(8.2.14)
2 其最大弯矩截面的位置,应符合下列规定:
1)当墙体材料为混凝土时,取a1=b1;
2)如为砖墙且放脚不大于1/4砖长时,取a1=b1+1/4砖长。
3 墙下条形基础底板每延米宽度的配筋除满足计算和最小配筋率要求外,尚应符合本规范第8.2.1条第3款的构造要求。
8.1 无筋扩展基础
8.1.1 无筋扩展基础(图8.1.1)高度应满足下式的要求:
H0≥(b-b0)/2tanα (8.1.1)
式中:b——基础底面宽度(m);
b0——基础顶面的墙体宽度或柱脚宽度(m);
H0——基础高度(m);
tanα——基础台阶宽高比b2:H0,其允许值可按表8.1.1选用;
b2——基础台阶宽度(m)。
表8.1.1 无筋扩展基础台阶宽高比的允许值

注:1 pk为作用的标准组合时基础底面处的平均压力值(kPa);
2 阶梯形毛石基础的每阶伸出宽度,不宜大于200mm;
3 当基础由不同材料叠合组成时,应对接触部分作抗压验算;
4 混凝土基础单侧扩展范围内基础底面处的平均压力值超过300kPa时,尚应进行抗剪验算;对基底反力集中于立柱附近的岩石地基,应进行局部受压承载力验算。

图8.1.1 无筋扩展基础构造示意
d—柱中纵向钢筋直径;
1—承重墙;2—钢筋混凝土柱
8.1.2 采用无筋扩展基础的钢筋混凝土柱,其柱脚高度h1不得小于b1(图8.1.1),并不应小于300mm且不小于20d。当柱纵向钢筋在柱脚内的竖向锚固长度不满足锚固要求时,可沿水平方向弯折,弯折后的水平锚固长度不应小于10d也不应大于20d。
注:d为柱中的纵向受力钢筋的最大直径。
7.5 大面积地面荷载
7.5.1 在建筑范围内有地面荷载的单层工业厂房、露天车间和单层仓库的设计,应考虑由于地面荷载所产生的地基不均匀变形及其对上部结构的不利影响。当有条件时,宜利用堆载预压过的建筑场地。
注:地面荷载系指生产堆料、工业设备等地面堆载和天然地面上的大面积填土。
7.5.2 地面堆载应均衡,并应根据使用要求、堆载特点、结构类型和地质条件确定允许堆载量和范围。
堆载不宜压在基础上。大面积的填土,宜在基础施工前三个月完成。
7.5.3 地面堆载荷载应满足地基承载力、变形、稳定性要求,并应考虑对周边环境的影响。当堆载量超过地基承载力特征值时应进行专项设计。
7.5.4 厂房和仓库的结构设计,可适当提高柱、墙的抗弯能力,增强房屋的刚度。对于中、小型仓库,宜采用静定结构。
7.5.5 对于在使用过程中允许调整吊车轨道的单层钢筋混凝土工业厂房和露天车间的天然地基设计,除应遵守本规范第5章的有关规定外,尚应符合下式要求:
s'g≤[s'g] (7.5.5)
式中:s'g——由地面荷载引起柱基内侧边缘中点的地基附加沉降量计算值,可按本规范附录N计算;
[s'g]——由地面荷载引起柱基内侧边缘中点的地基附加沉降量允许值,可按表7.5.5采用。
表7.5.5 地基附加沉降量允许值[s'g](m)
| a | 6 | 10 | 20 | 30 | 40 | 50 | 60 | 70 |
| b | ||||||||
| 1 | 40 | 45 | 50 | 55 | 55 | |||
| 2 | 45 | 50 | 55 | 60 | 60 | |||
| 3 | 50 | 55 | 60 | 65 | 70 | 75 | ||
| 4 | 55 | 60 | 65 | 70 | 75 | 80 | 85 | 90 |
| 5 | 65 | 70 | 75 | 80 | 85 | 90 | 95 | 100 |
注:表中a为地面荷载的纵向长度(m);b为车间跨度方向基础底面边长(m)。
7.5.6 按本规范第7.5.5条设计时,应考虑在使用过程中垫高或移动吊车轨道和吊车梁的可能性。应增大吊车顶面与屋架下弦间的净空和吊车边缘与上柱边缘间的净距,当地基土平均压缩模量Es为3MPa左右,地面平均荷载大于25kPa时,净空宜大于300mm,净距宜大于200mm。并应按吊车轨道可能移动的幅度,加宽钢筋混凝土吊车梁腹部及配置抗扭钢筋。
7.5.7 具有地面荷载的建筑地基遇到下列情况之一时,宜采用桩基:
1 不符合本规范第7.5.5条要求;
2 车间内设有起重量300kN以上、工作级别大于A5的吊车;
3 基底下软土层较薄,采用桩基经济者。